Matrice Impedenze doppio bipolo
buona sera a tutti, è il primo post, e spero di scrivere rispettando le regole del forum!
Dunque oggi ho fatto questo semplice esercizio ma non mi torna un risultato nella matrice delle impedenze.
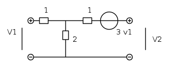
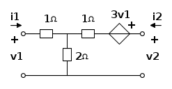
qui il circuito:
le resistenze sono in ohm e il generatore è un generatore di tensione pilotato, scusate ma non ho trovato il simbolo adatto.
mi sono venuti i seguenti risultati:
R11=3 R12=2
R21=?? R22=9
questa è la matrice delle impedenze...non riesco a calcolare R21 ovvero

grazie per l' aiuto!
Dunque oggi ho fatto questo semplice esercizio ma non mi torna un risultato nella matrice delle impedenze.
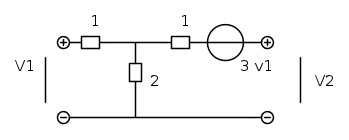
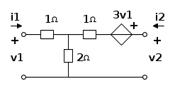
qui il circuito:
le resistenze sono in ohm e il generatore è un generatore di tensione pilotato, scusate ma non ho trovato il simbolo adatto.
mi sono venuti i seguenti risultati:
R11=3 R12=2
R21=?? R22=9
questa è la matrice delle impedenze...non riesco a calcolare R21 ovvero

grazie per l' aiuto!

