kowalski ha scritto:Scusami,
RenzoDF, dove vanno messe

e

nel circuito semplificato?
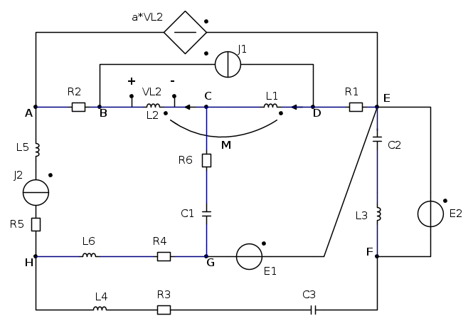
Non vanno "messe",
vanno "tolte" 
... in quanto in parallelo ad un GIT, come vanno tolte L5 e R5 in quanto in serie ad un GIC, e va "girato" per "convenienza" computazionale il GCT.
-----------------------------------------------------
Edit 26/2-----> commenti alla tua soluzione:
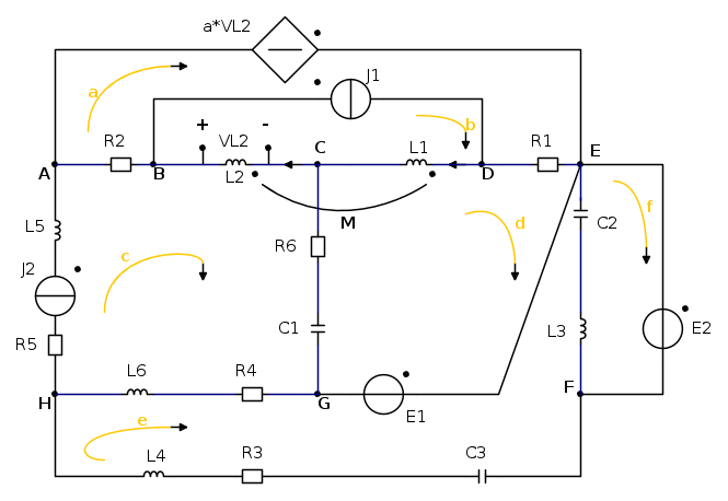
a) come detto la corrente nel ramo
EF e' calcolabile separatemente con Ohm e quindi si puo' eliminare il ramo nella ricerca della soluzione.
b) la corrente di maglia
a la assumerei relativa alla sola maglia elementare superiore
AEDB e non alla AED
CBA
c) l'equazione galattica
CDEFHGC (che non sono riuscito a controllare per un overflow neuronale

) la sostituirei con una piu' "umana" GEFHG, passando ovviamente in
E2 a destra, percorso alternativo che potevi comunque usare anche nella tua relazione.
d) ti consiglio poi di indicare con lo stresso numero i bipoli relativi allo stesso ramo, in questo modo ridurrai le probabilita' di errore nella scrittura delle relazioni e potrai "condensarli" nella relativa impedenza Zi=Ri+j(XLi-XCi)