[new] es. sovrapposizione
ok ho cercato di sistemare l'op il meglio possibile. copio il resto e vi illustro anche la prima parte del mio ragionamento.
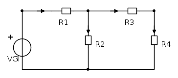
- trovare correnti e tensioni



Pongo a zero IG_2. ed ho:
ora, mi riconduco ad un circuito semplice in serie calcolando R_34 in serie, e in parallelo con R_2.
Ho così da Kirchhoff:

ricavo la I (che poi è I_1) che è 3 A.
Ricavo la I_2 con


idem per I_3 e I_4 che per me sono 1 A.
ora, quando vado ad azzerare VG, non so come procedere perché arrivo a numeri assurdi. cosa fareste voi?
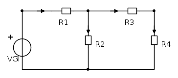
- trovare correnti e tensioni



Pongo a zero IG_2. ed ho:
ora, mi riconduco ad un circuito semplice in serie calcolando R_34 in serie, e in parallelo con R_2.
Ho così da Kirchhoff:

ricavo la I (che poi è I_1) che è 3 A.
Ricavo la I_2 con


idem per I_3 e I_4 che per me sono 1 A.
ora, quando vado ad azzerare VG, non so come procedere perché arrivo a numeri assurdi. cosa fareste voi?


e ti trovi la caduta ai capi di tutto. Questa è la stessa che cade ai capi di
e sapendo ciò ti trovi la corrente su quel lato.
. Per la legge di Ohm trovi anche la tensione su 