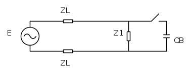
Esercio in corrente alternata con condensatore
Salva a tutti, vorrei una mano con questo esercizio:Si valuti l'opportunità di effettuare il rifasamento del carico z1 tramite la capacità Cb da dimensionare e poi si calcoli la potenza persa in linea prima e dopo il rifasamento.Si faccia un rifasamento perfetto sapendo che f=50 Hz.
DATI: E=220 V Zl=1+0.1i z1=10+8i
ho iniziato calcolando la corrente totale del circuito applicando la legge di Ohm e mi è risultata pari a 15.137<-3.35°A dopodichè ho calcolato la tensione su z1 attraverso la formula v=z1*I1 (la corrente calcolata in precedenza).ho calcolato la potenza (193.8442*15.137*cos(38.66)) ed ho calcolato la capacita del condensatore.
cb=2291.21(tg38.66-tg0)/(2*3.14*193.8442^2)
la capacità mi è quindi uscita 155.3 microfarad
mi potete dare una mano sul calcolo della potenza persa prima e dopo il rifasamento?
la potenza persa prima del rifasamento mi è uscita 458W
2769.54(potenza attiva generata)-2291.21(potenza assorbita dal carico)
z1*i1^2=2291.21
ma quanto vale quella dopo il rifasamento?..poi potete aiutarmi ad inserire il disegno del circuito in fidocadj nel forum?
..grazie mille
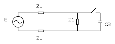
DATI: E=220 V Zl=1+0.1i z1=10+8i
ho iniziato calcolando la corrente totale del circuito applicando la legge di Ohm e mi è risultata pari a 15.137<-3.35°A dopodichè ho calcolato la tensione su z1 attraverso la formula v=z1*I1 (la corrente calcolata in precedenza).ho calcolato la potenza (193.8442*15.137*cos(38.66)) ed ho calcolato la capacita del condensatore.
cb=2291.21(tg38.66-tg0)/(2*3.14*193.8442^2)
la capacità mi è quindi uscita 155.3 microfarad
mi potete dare una mano sul calcolo della potenza persa prima e dopo il rifasamento?
la potenza persa prima del rifasamento mi è uscita 458W
2769.54(potenza attiva generata)-2291.21(potenza assorbita dal carico)
z1*i1^2=2291.21
ma quanto vale quella dopo il rifasamento?..poi potete aiutarmi ad inserire il disegno del circuito in fidocadj nel forum?














