Generatore equivalente di Norton
Ciao a tutti!! In questi giorni vi sto tartassando di domanda, ma il fatto è che mi piacerebbe capire a fondo tutto quello che studio, quindi perdonatemi :)
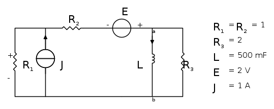
Studiando degli esempi sul mio libro, ho incontrato questo circuito
Praticamente vogliamo calcolare l'intensità di corrente che passa per l'induttore.
Usiamo il teorema di Norton su tutti i bipoli a-dinamici (quindi tutto escluso l'induttore).
Il mio problema non è tanto trovare la resistenza (o conduttanza) equivalente, ma piuttosto la
, ovvero l'intensità di corrente di corto circuito.
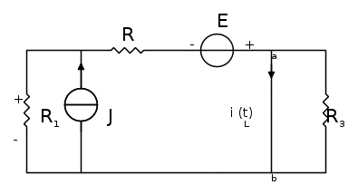
In questo caso, il circuito che otteniamo è il seguente
Il resistore
viene cortocircuitato, per cui ne ricaviamo, applicando Kirchhoff al nodo b, che

Il mio ragionamento, stando all'esempio del libro, risulta essere però sbagliato, in quanto non mi trovo con il suo risultato.
Dove erro??? :)
Studiando degli esempi sul mio libro, ho incontrato questo circuito
Praticamente vogliamo calcolare l'intensità di corrente che passa per l'induttore.
Usiamo il teorema di Norton su tutti i bipoli a-dinamici (quindi tutto escluso l'induttore).
Il mio problema non è tanto trovare la resistenza (o conduttanza) equivalente, ma piuttosto la
, ovvero l'intensità di corrente di corto circuito.In questo caso, il circuito che otteniamo è il seguente
Il resistore
viene cortocircuitato, per cui ne ricaviamo, applicando Kirchhoff al nodo b, che
Il mio ragionamento, stando all'esempio del libro, risulta essere però sbagliato, in quanto non mi trovo con il suo risultato.
Dove erro??? :)




può essere "non considerato", hai il secondo circuito in basso.
.
è pari alla intensità di corrente erogata dal generatore di corrente
più la corrente che scorre nel resistore
.

;
.