Esercizio circuito magnetico
eccomi qua con un nuovo esercizio sui circuiti magnetici.
come al solito copierò il testo e poi esporrò la mia soluzione....
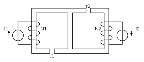
Determinare l’espressione di L1, L2 e M nel circuito magnetico in figura, si considerino i traferri identici fra loro e la riluttanza del percorso nel ferro trascurabile.
allora... L1 e L2 non dovrebbero essere un grande problema...
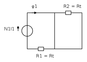
per prima cosa ridisegno i circuiti equivalenti cortocircuitando prima il generatore I2, mi trovo così la riluttanza equivalente che mi servirà per trovare L1, ripeto poi lo stesso procedimento per trovare L2.
mettendo giù un po' di formulette...


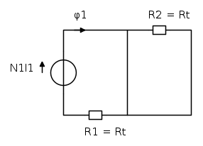
ora correggetemi se sbaglio... è giusto dire che essendo la riluttanza R2 cortocircuitata, la riluttanza equivalente è uguale alla riluttanza R1 e quindi:

continuando con i calcoli mi verrebbe:

da cui:

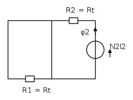
allo stesso modo cortocircuitando il generatore I1, considerando nel calcolo della Req2 la riluttanza 1 cortocircuitata otterrei:

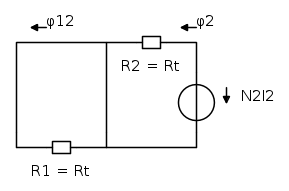
per quanto riguarda M...
buio totale...
so che:

poi però c'è il buio, mi servirebbero le relazioni che legano
con
oppure
con
ma non le so ricavare :P
qualche suggerimento?
come al solito copierò il testo e poi esporrò la mia soluzione....
Determinare l’espressione di L1, L2 e M nel circuito magnetico in figura, si considerino i traferri identici fra loro e la riluttanza del percorso nel ferro trascurabile.
allora... L1 e L2 non dovrebbero essere un grande problema...
per prima cosa ridisegno i circuiti equivalenti cortocircuitando prima il generatore I2, mi trovo così la riluttanza equivalente che mi servirà per trovare L1, ripeto poi lo stesso procedimento per trovare L2.
mettendo giù un po' di formulette...


ora correggetemi se sbaglio... è giusto dire che essendo la riluttanza R2 cortocircuitata, la riluttanza equivalente è uguale alla riluttanza R1 e quindi:

continuando con i calcoli mi verrebbe:

da cui:

allo stesso modo cortocircuitando il generatore I1, considerando nel calcolo della Req2 la riluttanza 1 cortocircuitata otterrei:

per quanto riguarda M...
buio totale...
so che:

poi però c'è il buio, mi servirebbero le relazioni che legano
con
oppure
con
ma non le so ricavare :Pqualche suggerimento?



che si concatena con la bobina 2 (non eccitata)...
così come 
, ovvero la quota parte imputabile alla sola azione della corrente 

