Problema esercizio regime stazionario
Salve ragazzi, avrei un problema con questo esercizio, potete aiutarmi?
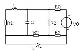
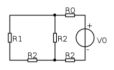
Il circuito è a regime quando al tempo t=0s si chiude l'interruttore K. Calcolare la tensione VR1(t) per t >=0
C = 0.25 F
QL = 0.5 var
R0 = 1 ohm
R1 = 2 ohm
R2 = 4 ohm
V0 = 8V
per t<0 l'induttore è un cortocircuito e il condensatore è un circuito aperto
a questo punto R0 e R2 sono in serie e sostituisco il modello di thevenin
posso calcolarmi abbastanza facilmente la corrente sull'induttore per t<0s.
Come devo operare quando chiudo l'interruttore e cioè per t>=0??
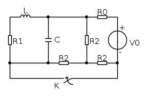
Il circuito è a regime quando al tempo t=0s si chiude l'interruttore K. Calcolare la tensione VR1(t) per t >=0
C = 0.25 F
QL = 0.5 var
R0 = 1 ohm
R1 = 2 ohm
R2 = 4 ohm
V0 = 8V
per t<0 l'induttore è un cortocircuito e il condensatore è un circuito aperto
a questo punto R0 e R2 sono in serie e sostituisco il modello di thevenin
posso calcolarmi abbastanza facilmente la corrente sull'induttore per t<0s.
Come devo operare quando chiudo l'interruttore e cioè per t>=0??



![% MathType!Translator!2!1!LaTeX.tdl!LaTeX 2.09 and later!
\[{R_{Th}} = \frac{{\left( {{R_0} + {R_2}} \right){R_2}}}{{\left( {{R_0} + {R_2}} \right) + {R_2}}}\]% MathType!End!2!1! % MathType!Translator!2!1!LaTeX.tdl!LaTeX 2.09 and later!
\[{R_{Th}} = \frac{{\left( {{R_0} + {R_2}} \right){R_2}}}{{\left( {{R_0} + {R_2}} \right) + {R_2}}}\]% MathType!End!2!1!](/forum/latexrender/pictures/a9200c8f0ab17e84e5a9a1bed1ea9eb8.png)
![% MathType!Translator!2!1!LaTeX.tdl!LaTeX 2.09 and later!
\[\begin{array}{l}
{i_L}\left( {{0^ - }} \right) = \frac{{{V_{Th}}}}{{{R_1} + {R_2} + {R_{Th}}}}\\
\\
{V_C}\left( {{0^ - }} \right) = {V_{Th}}\frac{{{R_1}}}{{{R_1} + {R_2} + {R_{Th}}}}
\end{array}\]% MathType!End!2!1! % MathType!Translator!2!1!LaTeX.tdl!LaTeX 2.09 and later!
\[\begin{array}{l}
{i_L}\left( {{0^ - }} \right) = \frac{{{V_{Th}}}}{{{R_1} + {R_2} + {R_{Th}}}}\\
\\
{V_C}\left( {{0^ - }} \right) = {V_{Th}}\frac{{{R_1}}}{{{R_1} + {R_2} + {R_{Th}}}}
\end{array}\]% MathType!End!2!1!](/forum/latexrender/pictures/dc23f7c7c01c8bf1cb8ab3d5e2c56c6d.png)

![\[\begin{array}{l}
{{\dot Z}_C} = \frac{1}{{j\omega C}}\\
{{\dot Z}_L} = j\omega L
\end{array}\] \[\begin{array}{l}
{{\dot Z}_C} = \frac{1}{{j\omega C}}\\
{{\dot Z}_L} = j\omega L
\end{array}\]](/forum/latexrender/pictures/6f3fd48975da4187ae8c5cd04cdcc6bf.png)
devo considerare?