Sovrapposizione degli effetti
Ciao a tutti ragazzi/e
Sto studiando il Principio di sovrapposizione degli effetti. Sto seguendo un esempio che riporta il mio libro di testo e vorrei se è possibile, un chiarimento in merito.
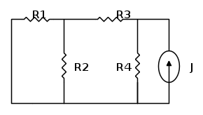
Il circuito in esame è il seguente:
Devo calcolare la potenza assorbita dalla resistenza R1. La prima parte del circuita l'ho svolta. Ossia ho studiando il circuito, prima spegnendo il generatore di corrente e lasciando acceso quello di tensione.
Fin qui non ho nessun problema.
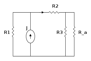
Il dubbio sorge quando vado a cortocircuitare il generatore di tensione, lasciando acceso quello di corrente. Mi ritrovo con il seguente circuito:
Operando dove è possibile le varie riduzioni serie-parallelo.
Il libro qui però mi dice che i resistori R1 ed R2 sono collegate fra loro in parallelo. Però non mi trovo perché a me ad occhio sembrano collegate in serie.
Dov'è che sbaglio?
Grazie a tutti per la collaborazione
Sto studiando il Principio di sovrapposizione degli effetti. Sto seguendo un esempio che riporta il mio libro di testo e vorrei se è possibile, un chiarimento in merito.
Il circuito in esame è il seguente:
Devo calcolare la potenza assorbita dalla resistenza R1. La prima parte del circuita l'ho svolta. Ossia ho studiando il circuito, prima spegnendo il generatore di corrente e lasciando acceso quello di tensione.
Fin qui non ho nessun problema.
Il dubbio sorge quando vado a cortocircuitare il generatore di tensione, lasciando acceso quello di corrente. Mi ritrovo con il seguente circuito:
Operando dove è possibile le varie riduzioni serie-parallelo.
Il libro qui però mi dice che i resistori R1 ed R2 sono collegate fra loro in parallelo. Però non mi trovo perché a me ad occhio sembrano collegate in serie.
Dov'è che sbaglio?
Grazie a tutti per la collaborazione





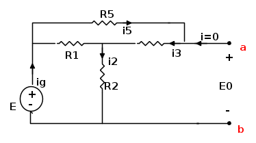
:
= 



sono incognite e devo calcolarle. I Valori dei resistori e di E li ho tutti.
.
.