Aiuto problema elettrotecnica
Salve a tutti
Mi affido a voi per la risoluzione di questo problema di elettrotecnica, che, ahimè, non riesco proprio a risolvere
. Sapendo:
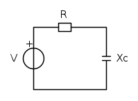
V=80V
R=50 Ohm
Xc=30 Ohm
f= 50Hz
devo calcolare la capacità, la corrente e la potenza, attiva, reattiva ed apparente.
Scusate per il circuito, fatto velocemente con Paint D:
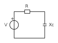
V=80V
R=50 Ohm
Xc=30 Ohm
f= 50Hz
devo calcolare la capacità, la corrente e la potenza, attiva, reattiva ed apparente.


;
;
;
;
.