2° Esercizio C.A. monofase
L'altro giorno in classe abbiamo provato a fare un esercizio che c'era sul libro di testo che però non siamo riusciti a risolvere nemmeno con il professore.
Vorrei chiedere aiuto a voi in quanto non so se manca qualche dato nel problema oppure se mi potreste spiegare come risolverlo; l'esercizio è questo:
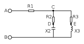
Nel circuito in figura sono noti:




Sapendo che l'angolo caratteristico dell'impedenza costituita da
e
in serie è di 30° e pure di 30° è l'angolo caratteristico di
e
in serie, determinare:
,
,
,
e l'angolo di sfasamento fra tensione totale e corrente totale.
Le soluzioni del libro sono:




ritardo di
rispetto 
L'unica cosa che sono riuscito a trovare è R3, infatti ho usato la formula:

Poi ho ricavato Z3 e anche I3:
e 
Vorrei chiedere aiuto a voi in quanto non so se manca qualche dato nel problema oppure se mi potreste spiegare come risolverlo; l'esercizio è questo:
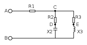
Nel circuito in figura sono noti:




Sapendo che l'angolo caratteristico dell'impedenza costituita da
e
in serie è di 30° e pure di 30° è l'angolo caratteristico di
e
in serie, determinare:
,
,
,
e l'angolo di sfasamento fra tensione totale e corrente totale.Le soluzioni del libro sono:




ritardo di
rispetto 
L'unica cosa che sono riuscito a trovare è R3, infatti ho usato la formula:

Poi ho ricavato Z3 e anche I3:
e 


![\begin{align}
& {{\left[ 80+10\sqrt{3}(1+x) \right]}^{2}}+{{\left[ 10(x-1) \right]}^{2}}={{100}^{2}} \\
& x\approx 0.133\,\,\text{A} \\
& \left| {{I}_{2}} \right|=2x\approx0.266\,\text{A} \\
& {{\text{Z}}_{2}}=\frac{80}{\left| {{I}_{2}} \right|}\angle -{{30}^{{}^\circ }}\approx 301\angle -{{30}^{{}^\circ }}\approx 261-j151\,\,\Omega \\
\end{align} \begin{align}
& {{\left[ 80+10\sqrt{3}(1+x) \right]}^{2}}+{{\left[ 10(x-1) \right]}^{2}}={{100}^{2}} \\
& x\approx 0.133\,\,\text{A} \\
& \left| {{I}_{2}} \right|=2x\approx0.266\,\text{A} \\
& {{\text{Z}}_{2}}=\frac{80}{\left| {{I}_{2}} \right|}\angle -{{30}^{{}^\circ }}\approx 301\angle -{{30}^{{}^\circ }}\approx 261-j151\,\,\Omega \\
\end{align}](/forum/latexrender/pictures/05b6335720e84322722a2a7dbbc2369c.png)
![[80+10\sqrt{3}(1+x)] ^{2}+[ 10(x-1)]^{2}={100}^{2} [80+10\sqrt{3}(1+x)] ^{2}+[ 10(x-1)]^{2}={100}^{2}](/forum/latexrender/pictures/e006897538a406df593da5aec73e117e.png)
