Derivata prima della corrente sull'induttore a t=0
Ciao a tutti ragazzi!!
Sto risolvendo un circuito RLC del secondo ordine ma mi sono bloccato negli ultimi passaggi.
Praticamente, il circuito è a regime stazionario fino all'istante 0, dopodichè il generatore si spegne e quindi va in evoluzione libera. Dovevo ricavare quindi l'andamento della corrente sull'induttore.
Dopo vari passaggi, eccola qui:
.
In cui
e
le ho ricavate e K1 e K2, invece, devo ricavarmele imponendo le condizioni iniziali.
Mi sono quindi calcolato i valori delle condizioni di stato per t<0, ottenendo, per la continuità delle variabili di stato su induttore e condensatore,


ovvero due valori numerici.
Per ricavarmi quindi i valori di K1 e K2, la prima condizione da imporre è:

Ho bisogno perciò di imporre un'altra condizione per trovarmi questi valori.
Di solito, il metodo che utilizzo è trovare la derivata prima della
in t=0, per poi imporre le altre condizioni. Qualcosa del tipo 
in modo da imporre
e risolvere quindi il sistema di n equazioni in n incognite.
Il problema è che non riesco a calcolarmi questo valore della derivata prima della corrente sull'induttore.
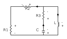
Il circuito a t>0 è questo.
di cui conosco R1, R2, R3, L, C e le condizioni iniziali.
Dall'equazione caratteristica dell'induttore avremo che
.
Il problema, quindi, è calcolare il valore numerico di V_L , tramite leggi di Kirchhoff e quant altro. Il problema è che non riesco a sviluppare V_L solo in funzione di tutti i valori noti che ho :S
Qualche idea???
Grazie mille in anticipo a tutti :)
EDIT: scelta un po' infelice per scrivere le derivate, quello che voglio intendere con quelle formule è la derivata della funzione nel punto t = 0 e non la derivata di f(0) che, ovviamente, sarebbe nulla :)
Sto risolvendo un circuito RLC del secondo ordine ma mi sono bloccato negli ultimi passaggi.
Praticamente, il circuito è a regime stazionario fino all'istante 0, dopodichè il generatore si spegne e quindi va in evoluzione libera. Dovevo ricavare quindi l'andamento della corrente sull'induttore.
Dopo vari passaggi, eccola qui:
.In cui
e
le ho ricavate e K1 e K2, invece, devo ricavarmele imponendo le condizioni iniziali.Mi sono quindi calcolato i valori delle condizioni di stato per t<0, ottenendo, per la continuità delle variabili di stato su induttore e condensatore,


ovvero due valori numerici.
Per ricavarmi quindi i valori di K1 e K2, la prima condizione da imporre è:

Ho bisogno perciò di imporre un'altra condizione per trovarmi questi valori.
Di solito, il metodo che utilizzo è trovare la derivata prima della
in t=0, per poi imporre le altre condizioni. Qualcosa del tipo 
in modo da imporre
e risolvere quindi il sistema di n equazioni in n incognite.
Il problema è che non riesco a calcolarmi questo valore della derivata prima della corrente sull'induttore.
Il circuito a t>0 è questo.
di cui conosco R1, R2, R3, L, C e le condizioni iniziali.
Dall'equazione caratteristica dell'induttore avremo che
.Il problema, quindi, è calcolare il valore numerico di V_L , tramite leggi di Kirchhoff e quant altro. Il problema è che non riesco a sviluppare V_L solo in funzione di tutti i valori noti che ho :S
Qualche idea???
Grazie mille in anticipo a tutti :)
EDIT: scelta un po' infelice per scrivere le derivate, quello che voglio intendere con quelle formule è la derivata della funzione nel punto t = 0 e non la derivata di f(0) che, ovviamente, sarebbe nulla :)


