Rete e correnti di maglia
Salve!! innanzitutto buon natale a tutti!!
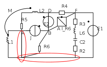
non riesco ad uscire da questa rete, che devo risolvere con il metodo delle correnti di maglia
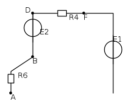
innanzitutto questo albero è corretto?
e soprattutto è corretto considerare il nodo A (quello cerchiato in rosso nella prima figura) come un unico nodo ??
Grazie delle risposte!!
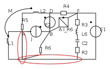
non riesco ad uscire da questa rete, che devo risolvere con il metodo delle correnti di maglia
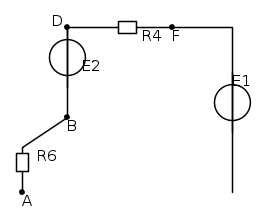
innanzitutto questo albero è corretto?
e soprattutto è corretto considerare il nodo A (quello cerchiato in rosso nella prima figura) come un unico nodo ??
Grazie delle risposte!!




