Esercizio rete in regime sinusoidale
Salve a tutti! Ho un problema con un esercizio abbastanza banale sulle reti in regime sinusoidale.
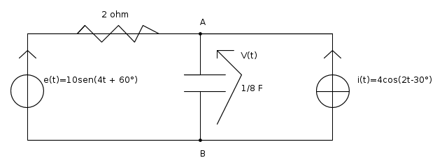
Ho disegnato il circuito con filocad(molto rozzamente perché sono un po' di fretta e non so ancora usarlo), ma dovrebbe capirsi qualcosa.
Dovrei calcolare V(t).
Io ho trasformato le grandezze sinusoidali nei rispettivi fasori, ottendendo quindi
E=-10je^(j pi/3) con w=4
A=4e^(-j pi / 6) con w=2
e poi ho pensato di calcolare Vab applicando la sovrapposizione degli effetti e usando millman in entrambi i casi...Ma non è il procedimento giusto perché non combacia col risultato. Potreste aiutarmi? grazie mille!
Prometto che appena posso imparo ad usare filocad e latex.
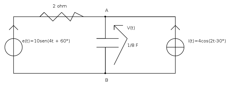
Ho disegnato il circuito con filocad(molto rozzamente perché sono un po' di fretta e non so ancora usarlo), ma dovrebbe capirsi qualcosa.
Dovrei calcolare V(t).
Io ho trasformato le grandezze sinusoidali nei rispettivi fasori, ottendendo quindi
E=-10je^(j pi/3) con w=4
A=4e^(-j pi / 6) con w=2
e poi ho pensato di calcolare Vab applicando la sovrapposizione degli effetti e usando millman in entrambi i casi...Ma non è il procedimento giusto perché non combacia col risultato. Potreste aiutarmi? grazie mille!
Prometto che appena posso imparo ad usare filocad e latex.
