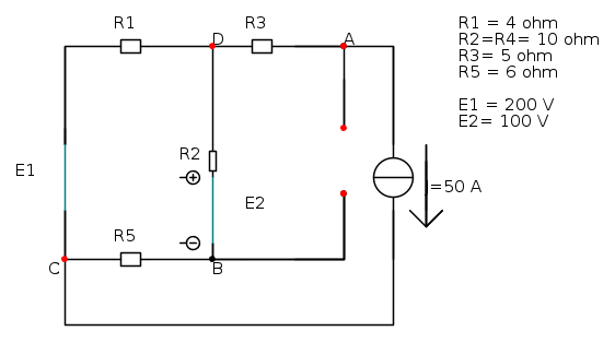
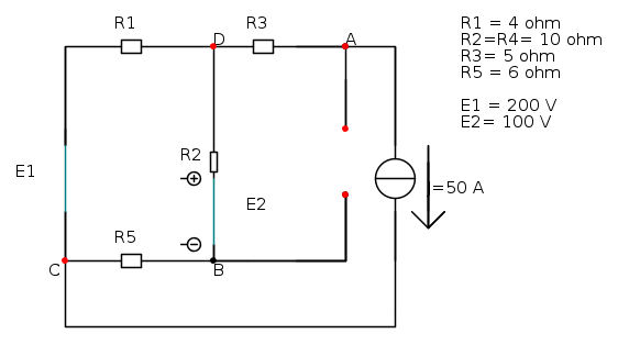
Esercizio con Thevenin
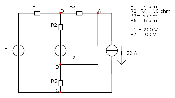
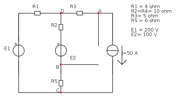
Ciao a tutti, piano piano sto conoscendo fidocadj, vi volevo proporre questo problema, che si deve risolvere con Thevenin, ed ho pensato di utilizzare il principio di sovrapposizione degli effetti ma mi blocco subito quando tengo acceso il generatore di corrente J e spengo (metto in c.c.) i generatori di tensione.
Mi potreste dare una mano.
Grazie,


e poi vediamo cosa torna e come risolverli 

