problema circuito resistivo con piu' generatori
scusate ragazzi forse per voi la domanda sarà semplice, ma io sono alle prime armi.
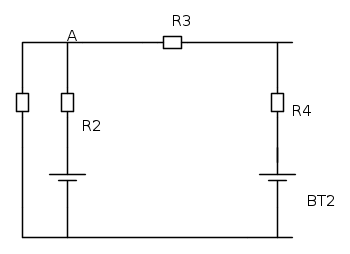
Premetto di aver studiato la teoria e svolto semplici esercizi sui circuiti con resistenze e massimo 2 generatori, ma adesso mi trovo di fronte un problema con ben 5 generatori di tensione e mi si richiede di calcolare le tensioni ai capi di tutte le resistenze e la tensione Veb, ovviamente non mi interessa che risolviate l'esercizio, ma uno spunto con cui partire, magari che passaggi usare , quali metodi, per capire cosa è che non ho capito in quello che ho studiato. Vi ringrazio in anticipo
Premetto di aver studiato la teoria e svolto semplici esercizi sui circuiti con resistenze e massimo 2 generatori, ma adesso mi trovo di fronte un problema con ben 5 generatori di tensione e mi si richiede di calcolare le tensioni ai capi di tutte le resistenze e la tensione Veb, ovviamente non mi interessa che risolviate l'esercizio, ma uno spunto con cui partire, magari che passaggi usare , quali metodi, per capire cosa è che non ho capito in quello che ho studiato. Vi ringrazio in anticipo
equazioni...la prima equazione per la maglia di sinistra con verso di percorrenza antiorario 




