Pagina 1 di 2

Dubbio sulla calcolo dell'impedenza equivalente

MessaggioInviato: 25 feb 2013, 18:22
da danieleee
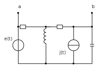
salve a tutti non riesco a calcolare l' impedenza equivalente del seguente circuito in allegato,qualcuno potrebbe dirmi come devo fare?? grazie in anticipo
scusatemi se sbaglio qualcosa sono nuovo del forum :(
IMG_0374.JPG
IMG_0374.JPG (247.03 KiB) Osservato 8824 volte

Re: dubbio sulla calcolo dell'impetenza equivalente

MessaggioInviato: 25 feb 2013, 18:38
da brabus
scusatemi se sbaglio qualcosa sono nuovo del forum


Scusa, ma molto francamente... Visto che questa cosa succede praticamente sempre...

Per essere sicuri di non sbagliare, può essere una buona idea leggere le regole *prima* di postare?

Vorrei capire come mai gli utenti postano "di getto", salvo scusarsi per non aver rispettato il regolamento.

Dovrebbe esser chiaro che il regolamento non è stato creato per delirio di onnipotenza, ma per migliorare la vita qui dentro, altrimenti ogni volta è un caos!

Fra l´altro, con un disegno così scadente, e il testo tagliato a mozzichi, come puoi sperare che qualcuno risponda volentieri?

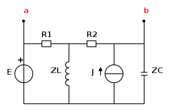
Dai, su, posta lo schema in FidoCad che iniziamo... :D

Re: Dubbio sulla calcolo dell'impedenza equivalente

MessaggioInviato: 25 feb 2013, 23:05
da BStefanoB
Caro Foto Utentedanieleee,
premesso che Foto Utentebrabus ha non una ma 10^8 ragioni,
penso che i neofiti vadano trattati con un po' di clemenza :D

Tornando all'esercizio, immagino che tu debba applicare il teorema di
Thevenin tra i morsetti "a" e "b". Per calcolare l'impedenza
equivalente vista da tali morsetti devi innanzitutto spegnere i generatori
presenti nella rete; ciò significa sostituire ad ogni generatore di tensione un
cortocircuito e ad ogni generatore di corrente un circuito aperto e poi
semplificare la rete, se possibile (come nel tuo caso), individuando
i bipoli in serie e quelli in parallelo.

Spero di esserti stato utile.

Re: Dubbio sulla calcolo dell'impedenza equivalente

MessaggioInviato: 26 feb 2013, 0:25
da danieleee
mi scuso per l'errore,adesso ho scaricato fidocard :ok:
comunque il circuito è in regime sinosoidale e ho applicato thevenin,quando vado a calcolare l'impedenza equivalente vista ai morsetti a-b di norma applico serie e parallelo ma quello ke non capisco se posso fare serie e parallelo ad esempio tra il condensatore ed il resistore dato che non so se il nodo che li collega è un nodo semplice non so se mi sono spiegato!!xd

Re: Dubbio sulla calcolo dell'impedenza equivalente

MessaggioInviato: 26 feb 2013, 0:59
da jordan20
danieleee ha scritto: non so se mi sono spiegato!!xd

se non lo sai tu...

Re: Dubbio sulla calcolo dell'impedenza equivalente

MessaggioInviato: 26 feb 2013, 9:57
da brabus
brabus ha scritto:Dai, su, posta lo schema in FidoCad che iniziamo... :D

Dai, su, posta lo schema in FidoCad che iniziamo... :roll:

Vedrai che dopo aver disegnato lo schema tutto sarà chiaro.

Re: Dubbio sulla calcolo dell'impedenza equivalente

MessaggioInviato: 27 feb 2013, 14:15
da danieleee
allora ho svolta l'esercizio e vorrei sapere da voi se ho fatto bene oppure dove ho sbagliato,vi spiego il mio procedimento:il circuito è in regime sinusoidale e devo determinare i parametri di thevenin alla porta a-b,per calcolare la E0(tensione a vuoto) applico la sovrapposizione degli effetti e passo nel dominio fasoriale
1 contributo)
lascio acceso il generatore di tensione,applico la LKT alla maglia composta dai 2 resistori e della E0, da questa relazione ottengo che per trovare la tensione a vuoto devo calcolare le rispettive tensioni dei 2 resistori.
faccio la serie tra il secondo resistore e il condensatore( ho un dubbio se si possa fare dato la presenza del terminale b,io lo considerato come un circuito aperto),la serie e in parallelo con l'induttore che poi e tutto in serie con il primo resistore,ricavo la tensione del resistore 1 tramite il partitore di tensione e lo stesso faccio per calcolare il secondo.
2 contributo)
lascio acceso solo il generatore di corrente,applico la LKT alla stessa maglia di prima e mi viene che devo calcolare ancora le tensioni dei 2 resistori.osservo che il resistore 1 è in parallelo con l'induttore(stesso dubbio di prima) poi faccio la serie con il 2 resistore e tutto è in parallelo con il condensatore,da qui ricavo la tensione equivalente e calcolo le rispettive tensioni tramite il partitore.
sommo i 2 contributi dopo aver calcolato modulo e argomento per ritornare nel dominio temporale.
calcolo i'impedenza equivalente Zth)
spenti tutti i generatori osservo che l'induttore è il condensatore sono in serie,questa serie è in parallelo con la serie dei 2 resistori.
vi prego ditemi se ho fatto bene :?

Re: Dubbio sulla calcolo dell'impedenza equivalente

MessaggioInviato: 27 feb 2013, 15:31
da RenzoDF
danieleee ha scritto:... calcolo i'impedenza equivalente Zth ...spenti tutti i generatori osservo che l'induttore è il condensatore sono in serie

Direi propio di no, spenti i generatori, l'induttore sarà in parallelo al resistore sinistro; detto parallelo sarà poi in serie con il resistore destro e il tutto sarà in parallelo al condensatore.

Per la ETh, non applicherei la sovrapposizione, ma bensì Thevenin al ramo relativo al resistore destro, per determinare la corrente attraverso lo stesso e di conseguenza quella sulla reattanza capacitiva, che porterebbe a poter calcolare la differenza di potenziale Vab a vuoto dalla somma fasoriale della tensione su Xc con quella su E.

Ti consiglio comunque di indicare sempre i segni/versi per i generatori e dare un nome ai vari componenti della rete, in questo modo saranno più semplici i riferimenti circuitali.


Re: Dubbio sulla calcolo dell'impedenza equivalente

MessaggioInviato: 27 feb 2013, 15:51
da danieleee
ancora non mi è chiaro :( io ho seguito un esempio fatto dal prof a lezione dove per calcolare E0 considerava le LKT alla maglia aperta costituita dalla parte aperta e da altri bipoli che incidono nella maglia
quindi nel calcolo della Zth è giusto considerare i terminali a-b come circuiti aperti??

Re: Dubbio sulla calcolo dell'impedenza equivalente

MessaggioInviato: 27 feb 2013, 15:58
da RenzoDF
danieleee ha scritto:ancora non mi è chiaro :( io ho seguito un esempio fatto dal prof a lezione dove per calcolare E0 considerava le LKT alla maglia aperta costituita dalla parte aperta e da altri bipoli che incidono nella maglia

Premesso che una maglia non può essere "aperta", ho capito cosa intendevi fare; assunti i versi delle correnti in R1 e in R2 verso destra, la KVL sarà

{{V}_{ab0}}-{{V}_{{{R}_{1}}}}-{{V}_{{{R}_{2}}}}=0

danieleee ha scritto: ... quindi nel calcolo della Zth è giusto considerare i terminali a-b come circuiti aperti??

Si, se intendi calcolare la ZTh attraverso la serie ed il parallelo delle impedenze interne, una volta "spenti" i generatori, ma occhio a non perdere i punti a e b in dette semplificazioni.