Risoluzione circuiti in regime sinusoidale con programmi
Salve a tutti,
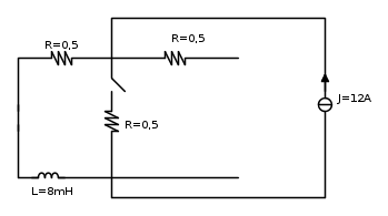
Volevo chiedervi un consiglio...
Siccome mi trovo a risolvere circuiti che spesso non hanno le soluzioni scritte e di conseguenza non so se li risolvo bene o meno...
Quindi per migliorarmi volevo analizzare i circuiti mediante qualche software di calcolo.
Spulciando tra i topic ho visto che veniva spesso utilizzato matlab, che ho prontamente scaricato ed installato.
Successivamente, ho trovato sempre qui una guida che mediante simulink mi permette con un drag&drop di creare la rete.
Il mio problema è che non so come avere valori numerici specifici dato che i blocchi scope mi mettono a disposizione soltanto il grafico.Quindi penso che sicuramente ci sia un'altra strada da intreprendere.
Inoltre con simulink non so come inserire in una rete il generatore di corrente continua...non lo riesco a trovare
Volevo chiedervi un consiglio...
Siccome mi trovo a risolvere circuiti che spesso non hanno le soluzioni scritte e di conseguenza non so se li risolvo bene o meno...
Quindi per migliorarmi volevo analizzare i circuiti mediante qualche software di calcolo.
Spulciando tra i topic ho visto che veniva spesso utilizzato matlab, che ho prontamente scaricato ed installato.
Successivamente, ho trovato sempre qui una guida che mediante simulink mi permette con un drag&drop di creare la rete.
Il mio problema è che non so come avere valori numerici specifici dato che i blocchi scope mi mettono a disposizione soltanto il grafico.Quindi penso che sicuramente ci sia un'altra strada da intreprendere.
Inoltre con simulink non so come inserire in una rete il generatore di corrente continua...non lo riesco a trovare









