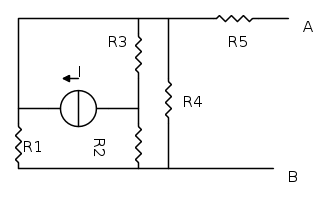
Esercizio esame
R1= 8 ohm
R2= 8 ohm
R3= 4 ohm
R4= 8 ohm
R5 = 2 ohm
I = 30 A
a) calcolare il bipolo equivalente di Thevenin ai morsetti A e B
b) Calcolare la massima potenza erogabile dal bipolo e la potenza erogata dal generatore in questa condizione
tra i morsetti a e b viene connesso un generatore di Tensione E
c) determinare il valore della tensione di E (non nulla) in modo che tale generatore non eroghi ne assorba potenza e calcolare in tale situazione la corrente che fluisce in R2, indicandone il verso
Salve a tutti, questo era un esercizio dato ad un esame al poli.
Per il punto a)
Spengo il generatore e lo sostituisco con un circuito aperto. Calcolo la R equivalenti vista dai morsetti A e B

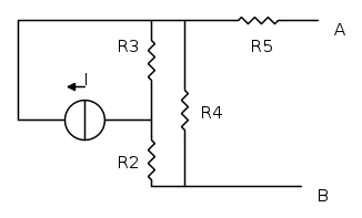
Per calcolare il generatore di Thevenin calcolo la tensione ai capi di R4. Posso scrivere il circuito cosi:
Poi con un partitore di tensione ottengo


Risultato:
b) il punto due non ho idea di come si faccia
c) Affinche il generatore non eroghi ne assorba potenza non ci deve essere corrente che scorre attraverso il generatore o mi sbaglio? In questo caso basterebbe mettere un generatore di tensione di valore pari al generatore di Thevenin con segno opposto?
Per calcolare la corrente attraverso R2, ma non dovrebbe esserci zero corrente atraverso r2?



, prova un po' a vedere se risulta come a me che, tanto per non suggerirti la soluzione, uso la 




