Dubbio su trasformatori a presa centrale
Ciao a tutti
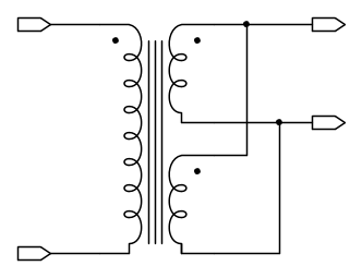
C'è differenza tra un trasformatore a presa centrale 0V - 12V - 24 V e uno 12V - 0 - 12V?
Chiedo perché un mio professore dice che si hanno sfasamenti diversi tra le tensioni del primo rispetto al secondo.....
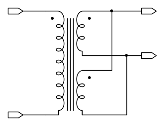
C'è differenza tra un trasformatore a presa centrale 0V - 12V - 24 V e uno 12V - 0 - 12V?
Chiedo perché un mio professore dice che si hanno sfasamenti diversi tra le tensioni del primo rispetto al secondo.....


