Chiarimenti passaggi esercizio
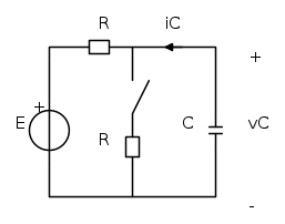
Buongiorno ragazzi. Vorrei discutere con persone molto più esperte di me la risoluzione di questo esercizio dove, essendo il primo esercizio che vedo di questo tipo, alcuni passaggi non mi sono chiari e non ne so dare una spiegazione. Il circuito in questione è il seguente:
Per
l'interruttore è chiuso e si apre per
. Utilizzando il circuito equivalente di Thèvenin ai morsetti del condensatore per ricavarne la tensione a vuoto e la resistenza equivalente, si ottengono come risultati:
per
,
per 
per
,
per 
E già qui non mi trovo... come mai escono tali valori?? Per le resistenze io mi trovo R/2 per il primo e R per il secondo mentre per le tensioni a vuoto non mi trovo proprio...
Ovviamente l'esercizio continua ma vorrei esporvi i miei dubbi passo passo!
Grazie a tutti per l'attenzione
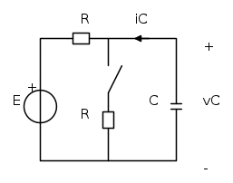
Per
l'interruttore è chiuso e si apre per
. Utilizzando il circuito equivalente di Thèvenin ai morsetti del condensatore per ricavarne la tensione a vuoto e la resistenza equivalente, si ottengono come risultati:
per
,
per 
per
,
per 
E già qui non mi trovo... come mai escono tali valori?? Per le resistenze io mi trovo R/2 per il primo e R per il secondo mentre per le tensioni a vuoto non mi trovo proprio...
Ovviamente l'esercizio continua ma vorrei esporvi i miei dubbi passo passo!
Grazie a tutti per l'attenzione



?
che citi in formula, dove scorre per 
(cioè prima dell'apertura dell'interruttore) e
(cioè dopo l'apertura dello stesso). Dice che per
perché?