Esercizio elettrotecnica prime armi
ciao, sono un utente alle prime armi con l'elettrotecnica e avrei bisogno di un aiuto per quanto riguarda un esercizio che non so come svolgere...
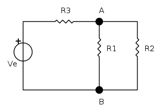
eccolo qua
R3=2 ohm, PR1=108 W, PR2=54 W, PR3=162 W.
Calcolare Vab, R1 e R2
eccolo qua
R3=2 ohm, PR1=108 W, PR2=54 W, PR3=162 W.
Calcolare Vab, R1 e R2

che circola nel resistore
:

:
e
... e conoscendo anche la potenza dissipata sugli stessi trovi facilmente il valore delle due resistenze.


