Circuito del primo ordine: Metodo Sistematico
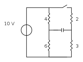
Salve ragazzi, potete aiutarmi a risolvere questo circuito del primo ordine con il metodo sistematico? Se riusciste a spiegarmelo in maniera dettagliata vi sarei debitore a vita, grazie mille!
Ps. Quelli tra parentesi sono le soluzioni
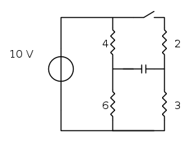
Ps. Quelli tra parentesi sono le soluzioni










, quindi supponendo l'interruttore aperto, ciò mi fa supporre che non dobbiamo considerare la resistenza da 2 ohm e da 3 ohm? E quindi calcolare solo la tensione del primo ramo?