davideAg ha scritto:Il metodo che segui non è sbagliato ma ti consiglio di svolgerlo nel regime della variabile di Laplace (reg. transitorio),

Se porta a quel risultato però, Laplace è davvero un metodo
"pericoloso"!
Secondo quello che racconta quella funzione del tempo, al tempo t=0, nell'induttore verrebbero a scorrere
514 ampere e per t tendente a infinito 0 ampere, che sia ammissibile?
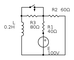
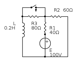
Io direi che sia sufficiente calcolare la corrente a regime prima e dopo la chiusura dell'interruttore, ovvero

e

che, con la costante di tempo relativa alla resistenza equivalente Req "vista" dall'induttore, permetterebbero di applicare la classica relazione notevole
![{{i}_{L}}(t)={{i}_{L}}(\infty )-\left[ {{i}_{L}}(\infty )-{{i}_{L}}(0) \right]{{e}^{-\frac{{{R}_{eq}}}{L}t}} {{i}_{L}}(t)={{i}_{L}}(\infty )-\left[ {{i}_{L}}(\infty )-{{i}_{L}}(0) \right]{{e}^{-\frac{{{R}_{eq}}}{L}t}}](/forum/latexrender/pictures/ea76eedca15d723fe2b0ca1776073b13.png)
metodo che, se non erro, sembra aver seguito anche
luciano87.
Come si suol dire qui a SB, usare un Caterpillar per piantare una margherita può essere
very dangerous!

===========================================
Venendo ora alla richiesta di
luciano87 di controllo del metodo seguito, osservo come:
i) l'uso della stravagante trasformazione stella-triangolo potesse essere sostituita per esempio da un più veloce Millman o meglio ancora da una "falsa posizione" che, considerata una rete equivalente scalata di un fattore 10, ipotizza una (conveniente) iLf di 3 ampere e quindi ad una i2 di 4A, una i1=-7A ed una Ef=3x8+7x4=52V, avrebbe portato direttamente, dalla semplice ispezione della rete, senza calcolo ferire, ad una vera corrente

che va a confermare il suo risultato.
ii) sia corretto il suo calcolo della corrente finale a regime
iii) sia errata la costante di tempo, per un errore di distrazione; lascio a
luciano87 il compito di scovarlo.

... così come lascio a
davideAg il compito di correggere i suoi, ben più numerosi; giusto un consiglio, occhio ai generatori!
