Esercizio sovrapposizione con interruttore. Cerco consigli
Non sono sicuro di aver ragionato in modo giusto, è il primo esercizio con interruttore in cui è presente la sovrapposizione, mi aiutate per favore? Grazie
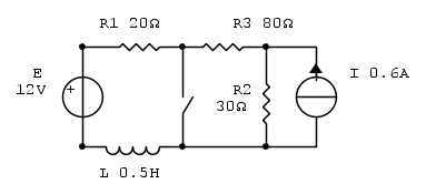
Nel circuito in figura, l’interruttore si apre all’istante t=0. Determinare la corrente che scorre nell’induttore in ogni istante di tempo.
t<0 il circuito è chiuso. Accendo E
e
sono in corto quindi
![\[i_1=i_L\] \[i_1=i_L\]](/forum/latexrender/pictures/d4ff52195e56f9c00651cb71078f7b36.png)
![\[i_L=\frac{E}{R_1}=0.6A\] \[i_L=\frac{E}{R_1}=0.6A\]](/forum/latexrender/pictures/7fc09973af161005e3a65ffcb206b79f.png)
t<0 chiuso. Accendo I
è in corto
quindi![\[i_L=0A\] \[i_L=0A\]](/forum/latexrender/pictures/0103c3750fe5a6b3dbe6ab9f993423ab.png)
t=0 apre
![\[R_{Th}=(R_2+R_3)+R_1=130\Omega\] \[R_{Th}=(R_2+R_3)+R_1=130\Omega\]](/forum/latexrender/pictures/e94abc01fea554048d7b179df05e3a5f.png)
![\[\lambda= \frac{1}{\tau }=260\] \[\lambda= \frac{1}{\tau }=260\]](/forum/latexrender/pictures/4baff6d5c6c34a86323dcbb7c32d786e.png)
t>0 aperto. Accendo E
![\[R_{eq}= R_1+R_2+R_3= 130\Omega\] \[R_{eq}= R_1+R_2+R_3= 130\Omega\]](/forum/latexrender/pictures/56982584ae83b91077bb37f2460e6070.png)
![\[i_L=i=\frac{E}{R_{eq}}=0.09A\] \[i_L=i=\frac{E}{R_{eq}}=0.09A\]](/forum/latexrender/pictures/756d4be3ab060f0039778ea922b81b06.png)
t>0 aperto. Accendo J
![\[R_{13}=R_1+R_3=100\Omega\] \[R_{13}=R_1+R_3=100\Omega\]](/forum/latexrender/pictures/63d2754aaa1f3aeeacfd295d6c45d5b2.png)
![\[i_L=i_1=J\frac{R_2}{R_2+R_{13}}=0.138A\] \[i_L=i_1=J\frac{R_2}{R_2+R_{13}}=0.138A\]](/forum/latexrender/pictures/b7e488df1ad76ca2d79f183b6c9bb7b5.png)
Nel circuito in figura, l’interruttore si apre all’istante t=0. Determinare la corrente che scorre nell’induttore in ogni istante di tempo.
t<0 il circuito è chiuso. Accendo E
e
sono in corto quindi![\[i_1=i_L\] \[i_1=i_L\]](/forum/latexrender/pictures/d4ff52195e56f9c00651cb71078f7b36.png)
![\[i_L=\frac{E}{R_1}=0.6A\] \[i_L=\frac{E}{R_1}=0.6A\]](/forum/latexrender/pictures/7fc09973af161005e3a65ffcb206b79f.png)
t<0 chiuso. Accendo I
è in cortoquindi
![\[i_L=0A\] \[i_L=0A\]](/forum/latexrender/pictures/0103c3750fe5a6b3dbe6ab9f993423ab.png)
t=0 apre
![\[R_{Th}=(R_2+R_3)+R_1=130\Omega\] \[R_{Th}=(R_2+R_3)+R_1=130\Omega\]](/forum/latexrender/pictures/e94abc01fea554048d7b179df05e3a5f.png)
![\[\lambda= \frac{1}{\tau }=260\] \[\lambda= \frac{1}{\tau }=260\]](/forum/latexrender/pictures/4baff6d5c6c34a86323dcbb7c32d786e.png)
t>0 aperto. Accendo E
![\[R_{eq}= R_1+R_2+R_3= 130\Omega\] \[R_{eq}= R_1+R_2+R_3= 130\Omega\]](/forum/latexrender/pictures/56982584ae83b91077bb37f2460e6070.png)
![\[i_L=i=\frac{E}{R_{eq}}=0.09A\] \[i_L=i=\frac{E}{R_{eq}}=0.09A\]](/forum/latexrender/pictures/756d4be3ab060f0039778ea922b81b06.png)
t>0 aperto. Accendo J
![\[R_{13}=R_1+R_3=100\Omega\] \[R_{13}=R_1+R_3=100\Omega\]](/forum/latexrender/pictures/63d2754aaa1f3aeeacfd295d6c45d5b2.png)
![\[i_L=i_1=J\frac{R_2}{R_2+R_{13}}=0.138A\] \[i_L=i_1=J\frac{R_2}{R_2+R_{13}}=0.138A\]](/forum/latexrender/pictures/b7e488df1ad76ca2d79f183b6c9bb7b5.png)








