Domande su potenza con esercizio/esempio integrato
Una controllata all'esercizio non sarebbe male, ma il mio quesito è un altro e l'ho esposto a fine calcoli.
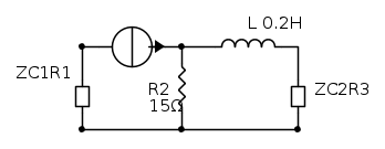
Determinare la potenza reattiva assorbita dal condensatore C2.
Semplifico il circuito
![\[Z_{C1}=\frac{-j}{\omega C}=-j40\] \[Z_{C1}=\frac{-j}{\omega C}=-j40\]](/forum/latexrender/pictures/1a3cb2487583b52dcf0bad1bb5baf256.png)
![\[Z_{C_1R_1}=Z_{C_1}//R_1= 16-j8\] \[Z_{C_1R_1}=Z_{C_1}//R_1= 16-j8\]](/forum/latexrender/pictures/64f333dc6b0ddd5d78ac81740dc962d1.png)
Semplifico ancora:
![\[Z_{C_2}= \frac{-j}{\omega C}=-j25\] \[Z_{C_2}= \frac{-j}{\omega C}=-j25\]](/forum/latexrender/pictures/320e84882aa6988bb6e1c46f2fc99f59.png)
![\[Z_{C_2R_3}= Z_{C_2}//R_3=12.42-j13.91\] \[Z_{C_2R_3}= Z_{C_2}//R_3=12.42-j13.91\]](/forum/latexrender/pictures/29703f30cd3aedee414859069645c7d1.png)
![\[Z_{LC_2R_3}= Z_{C_2R_3}+Z_L=12.42+j6.09\] \[Z_{LC_2R_3}= Z_{C_2R_3}+Z_L=12.42+j6.09\]](/forum/latexrender/pictures/c44d897a358b09e6bc09d89a82e8767c.png)
![\[i_L=j\frac{R_2}{R_2+Z_{LC_2R_3}}= -0.046-j0.208\] \[i_L=j\frac{R_2}{R_2+Z_{LC_2R_3}}= -0.046-j0.208\]](/forum/latexrender/pictures/ce0f3d1eb42f503158e5e403a2a4633d.png)
Avendo posto per il calcolo
![\[i_{C_2}=i_L\frac{R_3}{R_3+Z_{C_2}}= 0.078-j0.139\] \[i_{C_2}=i_L\frac{R_3}{R_3+Z_{C_2}}= 0.078-j0.139\]](/forum/latexrender/pictures/1d49242b6d8f88e95a2064386607c648.png)
![\[v_{C_2}=i_{C_2}X_{C_2}=-3.475-j1.95\] \[v_{C_2}=i_{C_2}X_{C_2}=-3.475-j1.95\]](/forum/latexrender/pictures/c47268213439630abdd066fe17844cc0.png)
![\[Q=\frac{1}{2}X_{C_2}I_{m}^{2}=-j0.317\Rightarrow -0.317VAr\] \[Q=\frac{1}{2}X_{C_2}I_{m}^{2}=-j0.317\Rightarrow -0.317VAr\]](/forum/latexrender/pictures/83917dc1c2f195739da03c32f7051af2.png)
I miei quesiti:
1) Quando chiede di calcolare la potenza reattiva impiego la formula sopra scritta. E' corretta l'unità di misura utilizzata oppure si deve scrivere in altro modo?
2) per calcolare la potenza attiva, uso la formula![\[P=\frac{1}{2}RI_m^{2}= 10\Rightarrow 10W\] \[P=\frac{1}{2}RI_m^{2}= 10\Rightarrow 10W\]](/forum/latexrender/pictures/ab0a59bbb4dc54384700a09f1e04d391.png)
oppure se uso la formula della potenza complessa:
prendo solo la parte
reale.
Es numerico:![\[S=\frac{1}{2}VI^{*}= 10-j5\] \[S=\frac{1}{2}VI^{*}= 10-j5\]](/forum/latexrender/pictures/6e9860bcc027b1825bce9e4f5e1ade83.png)
In questo caso la potenza attiva è 10.
- Per completezza e correttezza si scrive in questo modo?![\[S=\frac{1}{2}VI^{*}= 10W-j5VAr\] \[S=\frac{1}{2}VI^{*}= 10W-j5VAr\]](/forum/latexrender/pictures/28b1e80b4345aa0e87d28d0acfe4e5bb.png)
3) La potenza attiva vuol dire potenza assorbita (deve esser necessariamente positiva)? Analogamente reattiva ceduta?
4) La potenza media è espressa da
ed è pari a 10W
5) La potenza apparente è legata alla parte reattiva e attiva![\[A=\sqrt{P^{2}+Q^{2}}\] \[A=\sqrt{P^{2}+Q^{2}}\]](/forum/latexrender/pictures/4a2c1b38eecc581c4100a1d1c0bd7c22.png)
l'unità di misura, in tal caso, come è corretto esprimerla?
6) In presenza di più generatori in circuito, si chiede di calcolare la potenza. Si può procedere con la sovrapposizione degli effetti calcolando in fine sommando i singoli contributi?

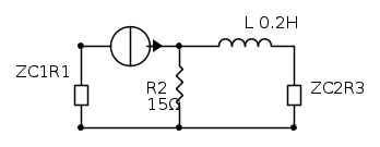
Determinare la potenza reattiva assorbita dal condensatore C2.
Semplifico il circuito
![\[Z_{C1}=\frac{-j}{\omega C}=-j40\] \[Z_{C1}=\frac{-j}{\omega C}=-j40\]](/forum/latexrender/pictures/1a3cb2487583b52dcf0bad1bb5baf256.png)
![\[Z_{C_1R_1}=Z_{C_1}//R_1= 16-j8\] \[Z_{C_1R_1}=Z_{C_1}//R_1= 16-j8\]](/forum/latexrender/pictures/64f333dc6b0ddd5d78ac81740dc962d1.png)
Semplifico ancora:
![\[Z_{C_2}= \frac{-j}{\omega C}=-j25\] \[Z_{C_2}= \frac{-j}{\omega C}=-j25\]](/forum/latexrender/pictures/320e84882aa6988bb6e1c46f2fc99f59.png)
![\[Z_{C_2R_3}= Z_{C_2}//R_3=12.42-j13.91\] \[Z_{C_2R_3}= Z_{C_2}//R_3=12.42-j13.91\]](/forum/latexrender/pictures/29703f30cd3aedee414859069645c7d1.png)
![\[Z_{LC_2R_3}= Z_{C_2R_3}+Z_L=12.42+j6.09\] \[Z_{LC_2R_3}= Z_{C_2R_3}+Z_L=12.42+j6.09\]](/forum/latexrender/pictures/c44d897a358b09e6bc09d89a82e8767c.png)
![\[i_L=j\frac{R_2}{R_2+Z_{LC_2R_3}}= -0.046-j0.208\] \[i_L=j\frac{R_2}{R_2+Z_{LC_2R_3}}= -0.046-j0.208\]](/forum/latexrender/pictures/ce0f3d1eb42f503158e5e403a2a4633d.png)
Avendo posto per il calcolo
![\[i_{C_2}=i_L\frac{R_3}{R_3+Z_{C_2}}= 0.078-j0.139\] \[i_{C_2}=i_L\frac{R_3}{R_3+Z_{C_2}}= 0.078-j0.139\]](/forum/latexrender/pictures/1d49242b6d8f88e95a2064386607c648.png)
![\[v_{C_2}=i_{C_2}X_{C_2}=-3.475-j1.95\] \[v_{C_2}=i_{C_2}X_{C_2}=-3.475-j1.95\]](/forum/latexrender/pictures/c47268213439630abdd066fe17844cc0.png)
![\[Q=\frac{1}{2}X_{C_2}I_{m}^{2}=-j0.317\Rightarrow -0.317VAr\] \[Q=\frac{1}{2}X_{C_2}I_{m}^{2}=-j0.317\Rightarrow -0.317VAr\]](/forum/latexrender/pictures/83917dc1c2f195739da03c32f7051af2.png)
I miei quesiti:
1) Quando chiede di calcolare la potenza reattiva impiego la formula sopra scritta. E' corretta l'unità di misura utilizzata oppure si deve scrivere in altro modo?
2) per calcolare la potenza attiva, uso la formula
![\[P=\frac{1}{2}RI_m^{2}= 10\Rightarrow 10W\] \[P=\frac{1}{2}RI_m^{2}= 10\Rightarrow 10W\]](/forum/latexrender/pictures/ab0a59bbb4dc54384700a09f1e04d391.png)
oppure se uso la formula della potenza complessa:
prendo solo la parte reale.
Es numerico:
![\[S=\frac{1}{2}VI^{*}= 10-j5\] \[S=\frac{1}{2}VI^{*}= 10-j5\]](/forum/latexrender/pictures/6e9860bcc027b1825bce9e4f5e1ade83.png)
In questo caso la potenza attiva è 10.
- Per completezza e correttezza si scrive in questo modo?
![\[S=\frac{1}{2}VI^{*}= 10W-j5VAr\] \[S=\frac{1}{2}VI^{*}= 10W-j5VAr\]](/forum/latexrender/pictures/28b1e80b4345aa0e87d28d0acfe4e5bb.png)
3) La potenza attiva vuol dire potenza assorbita (deve esser necessariamente positiva)? Analogamente reattiva ceduta?
4) La potenza media è espressa da
ed è pari a 10W5) La potenza apparente è legata alla parte reattiva e attiva
![\[A=\sqrt{P^{2}+Q^{2}}\] \[A=\sqrt{P^{2}+Q^{2}}\]](/forum/latexrender/pictures/4a2c1b38eecc581c4100a1d1c0bd7c22.png)
l'unità di misura, in tal caso, come è corretto esprimerla?
6) In presenza di più generatori in circuito, si chiede di calcolare la potenza. Si può procedere con la sovrapposizione degli effetti calcolando in fine sommando i singoli contributi?





