Problema corrente su circuito
Tralasciando i dati, ho trovato difficoltà nella risoluzione del circuito.
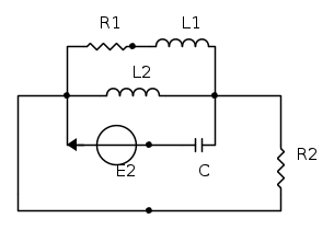
Devo calcolare la corrente in R2.
Con E1 acceso non ho riscontrato problemi, Ho eseguito una serie con L1e R1, e tutto il blocco in alto in parallelo tra loro con successiva serie con R2, di conseguenza la corrente totale è la stessa che circola in R2.
Se sbaglio correggetemi.
Ora con E2 acceso, La serie L1 e R1 rimane tale, poi in parallelo con L2.
Ora viene il problema.
Ciò calcolato fino ad ora è in parallelo con R2 e poi in serie con C oppure è prima in serie con C e poi parallelo con R2?
Grazie a tutti!
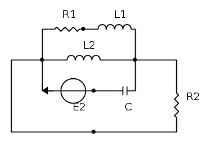
Devo calcolare la corrente in R2.
Con E1 acceso non ho riscontrato problemi, Ho eseguito una serie con L1e R1, e tutto il blocco in alto in parallelo tra loro con successiva serie con R2, di conseguenza la corrente totale è la stessa che circola in R2.
Se sbaglio correggetemi.
Ora con E2 acceso, La serie L1 e R1 rimane tale, poi in parallelo con L2.
Ora viene il problema.
Ciò calcolato fino ad ora è in parallelo con R2 e poi in serie con C oppure è prima in serie con C e poi parallelo con R2?
Grazie a tutti!


