Resistenze equivalenti e cortocircuiti
buondì, soliti dubbi idioti pre-esame
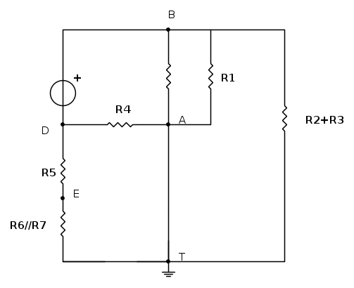
mi aiutereste a capire come procedo con quei due corto circuiti tra B e C e tra A ed E?
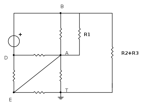
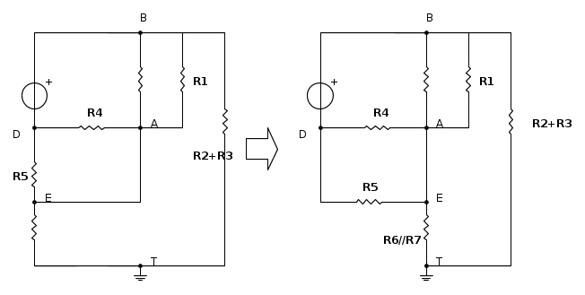
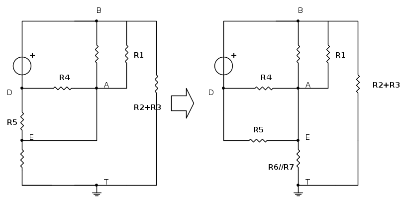
o meglio, tra B e C risolvo così:
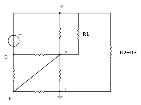
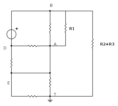
mentre il corto tra A ed E mi blocca
mi aiutate a capire come risolverlo?
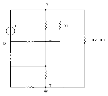
o meglio, tra B e C risolvo così:
mentre il corto tra A ed E mi blocca









ti ringrazio di cuore per il tuo aiuto!