Calcolo corrente in parallelo
Ho un dubbio veramente stupido che mi è venuto. Posto il ragionamento per vedere se quanto ho pensato sia giusto o sbagliato
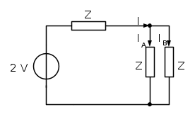
Conosco la tensione del generatore (come indicato dal generatore) e le impedenze nel circuito sono tutte uguali.
Per calcolarmi la corrente
posso considerare le impedenze in parallelo come un'unica impedenza pari a
. La corrente
sarà pari a
. La corrente che scorrerà nelle due impedenze in parallelo è uguale posso allora scrivere che

è giusto scrivere che la corrente
?
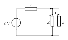
Conosco la tensione del generatore (come indicato dal generatore) e le impedenze nel circuito sono tutte uguali.
Per calcolarmi la corrente
posso considerare le impedenze in parallelo come un'unica impedenza pari a
. La corrente
sarà pari a
. La corrente che scorrerà nelle due impedenze in parallelo è uguale posso allora scrivere che 
è giusto scrivere che la corrente
?


