Dubbio elettrotecnica 2
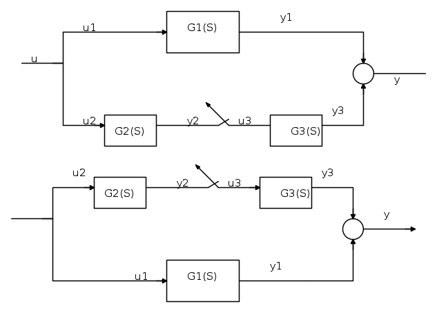
Salve ragazzi..avrei un dubbio...ho questi due schemi
Allora del secondo schema mi dice di trovare la risposta y(t) tenendo conto che l’interruttore si apre a t = 2 s ,
allora calcolo la funzione di trasferimento totale che sarebbe la serie di 2 e 3 in parallelo cn 1. Quindi poi calcolo la risposta ad interruttore chiuso e poi aperto.
Del primo schema devo calcolare la stessa cosa allora stavo procedendo come prima considerando che la funzione di trasferimento totale è la serie del sistema 2-3 in parallelo con 1. Invece il prof non ha calcolato la funzione di trasferimento totale ma ad interruttore chiuso ha calcolato le 2 risposte...quella del sistema 1 e quella della serie 2-3
Ma quindi quale procedimento è corretto?
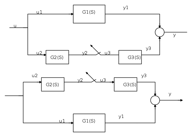
Allora del secondo schema mi dice di trovare la risposta y(t) tenendo conto che l’interruttore si apre a t = 2 s ,
allora calcolo la funzione di trasferimento totale che sarebbe la serie di 2 e 3 in parallelo cn 1. Quindi poi calcolo la risposta ad interruttore chiuso e poi aperto.
Del primo schema devo calcolare la stessa cosa allora stavo procedendo come prima considerando che la funzione di trasferimento totale è la serie del sistema 2-3 in parallelo con 1. Invece il prof non ha calcolato la funzione di trasferimento totale ma ad interruttore chiuso ha calcolato le 2 risposte...quella del sistema 1 e quella della serie 2-3
Ma quindi quale procedimento è corretto?

e la serie di
e
. Se il sistema è lineare puoi considerare l'uscita come somma delle f.d.t. dei due rami: puoi calcolarti
. Quindi per valutare l'uscita ti calcoli l'uscita del blocco