Sui nodi
Salve,
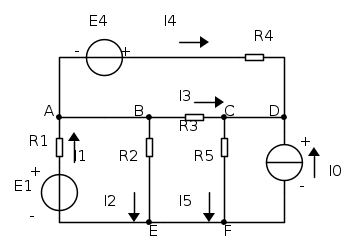
ho bisogno di stabilire il numero delle relazioni necessarie per risolvere i seguenti circuiti con il metodo di Kirchhoff (o delle correnti di ramo), e per fare questo devo stabilire quanti nodi ci sono:
EX1)
EX2)
Potete scommettere che il numero dei nodi che ho trovato, secondo la definizione, è ben maggiore di quello giusto... Chi mi aiuta indicandomi quali punti sono un nodo nei circuiti 1 e 2? perché applicare la definizione- "si ha un nodo nel punto in cui confluiscono 3 o più rami"- non è sufficiente? Chi mi sa suggerire, quindi, la definizione più completa e corretta di nodo? Inoltre, ma solo per i più preparati, quale formula si può usare per stabilire quanto deve essere il numero delle relazioni necessarie e sufficienti per risolvere il problema con il metodo sopra citato? Grazie!!!!!!
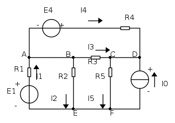
ho bisogno di stabilire il numero delle relazioni necessarie per risolvere i seguenti circuiti con il metodo di Kirchhoff (o delle correnti di ramo), e per fare questo devo stabilire quanti nodi ci sono:
EX1)
EX2)
Potete scommettere che il numero dei nodi che ho trovato, secondo la definizione, è ben maggiore di quello giusto... Chi mi aiuta indicandomi quali punti sono un nodo nei circuiti 1 e 2? perché applicare la definizione- "si ha un nodo nel punto in cui confluiscono 3 o più rami"- non è sufficiente? Chi mi sa suggerire, quindi, la definizione più completa e corretta di nodo? Inoltre, ma solo per i più preparati, quale formula si può usare per stabilire quanto deve essere il numero delle relazioni necessarie e sufficienti per risolvere il problema con il metodo sopra citato? Grazie!!!!!!




