Difficoltà metodo dei potenziali ai nodi
ciao a tutti, ho risolto il seguente circuito con il metodo dei potenziali ai nodi, ma non arrivo al risultato corretto. Siccome non riesco a individuare l'errore che faccio, qualcuno potrebbe aiutarmi a capire dove sbaglio? ho appena studiato il metodo dei nodi ma ho dei dubbi sui segni che devo considerare nella relazioni tra le correnti di lato e i potenziali dei nodi. Posto di seguito il circuito in fidocadj e il mio tentativo di risoluzione.
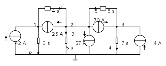
Trovare i potenziali di nodo del seguente circuito:
ho applicato inizialmente la LKC ai nodi 1,2,3:

successivamente ho scritto le relazioni tra correnti di lato e potenziali di nodo(temo che i miei errori siano qui):





a questo punto ho sostituito nel sistema e ho risolto:

e ho ottenuto V1=3,84v, V2=-10V e V3=1,07V
Ringrazio chi chiarirà i miei dubbi
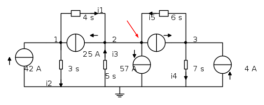
Trovare i potenziali di nodo del seguente circuito:
ho applicato inizialmente la LKC ai nodi 1,2,3:

successivamente ho scritto le relazioni tra correnti di lato e potenziali di nodo(temo che i miei errori siano qui):





a questo punto ho sostituito nel sistema e ho risolto:

e ho ottenuto V1=3,84v, V2=-10V e V3=1,07V
Ringrazio chi chiarirà i miei dubbi




