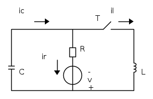
nuovo esercizio su reti nel dominio del tempo
A seguito del post precedente pubblico un altro esercizio da risolvere in via differenziale applicando le leggi di Kirchhoff.
t>0 L'equazione risolvente è (*):
![\[\left\{\begin{matrix} i_{r}=i_{c}+i_{l}\rightarrow i_{r}=i_{l}+LC\frac{\partial i_{l}}{\partial t}\\ \\v=Ri_{r}+L\frac{\partial i_{l}}{\partial t} \\0=V_{c}-L\frac{\partial i_{l}}{\partial t}\end{matrix}\right. \\ \Rightarrow v(t)=RLC\frac{\partial^2 i_{l}}{\partial t^2}+L\frac{\partial i_{l}}{\partial t}+Ri_{l} \ \ (*)\] \[\left\{\begin{matrix} i_{r}=i_{c}+i_{l}\rightarrow i_{r}=i_{l}+LC\frac{\partial i_{l}}{\partial t}\\ \\v=Ri_{r}+L\frac{\partial i_{l}}{\partial t} \\0=V_{c}-L\frac{\partial i_{l}}{\partial t}\end{matrix}\right. \\ \Rightarrow v(t)=RLC\frac{\partial^2 i_{l}}{\partial t^2}+L\frac{\partial i_{l}}{\partial t}+Ri_{l} \ \ (*)\]](/forum/latexrender/pictures/91d82b2d7bc551a894e99042e1b14e3f.png)
la cui soluzione è:
con:
soluzione dell'omogenea associata, e con:
soluzione particolare.
In definitiva, per t>0 si ha:
![\[i_{l}(t)=K_{1}e^{-29.29t}+K_{2}e^{-170.71t}-1.44sin(314t+0.59))\] \[i_{l}(t)=K_{1}e^{-29.29t}+K_{2}e^{-170.71t}-1.44sin(314t+0.59))\]](/forum/latexrender/pictures/470633d30c902485d9ef39e0456556c9.png)
t<0 a regime:

la cui soluzione è l'integrale particolare:

Per il calcolo delle costanti K1 e K2:
1) il(t)|t=0+ = i(t)|t=0- cioè:
(1)
2)Per t=0+ il condensatore è inizialmente scarico: ic(0+)=0.
Dalla III eq del sistema si era ottenuto:
![\[0=V_{c}-L\frac{\partial i_{c}}{\partial t} \rightarrow \frac{\partial }{\partial t} \rightarrow \frac{\partial V_{c}}{\partial t}=L\frac{\partial^2 i_{l}}{\partial t^2} \rightarrow i_{c}=LC \frac{\partial^2 i_{l}}{\partial t^2}\] \[0=V_{c}-L\frac{\partial i_{c}}{\partial t} \rightarrow \frac{\partial }{\partial t} \rightarrow \frac{\partial V_{c}}{\partial t}=L\frac{\partial^2 i_{l}}{\partial t^2} \rightarrow i_{c}=LC \frac{\partial^2 i_{l}}{\partial t^2}\]](/forum/latexrender/pictures/6ce315f568ab166174b529913a81b7c8.png)
perciò, dopo aver opportunamente derivato due volte la il trovata per t>0, possiamo scrivere:
(2)
Dal sistema di (1)+(2) si ottengono:
K1=0.97; K2=-2.74 da cui:
![\[i_{l}(t)=0.97e^{-29.29t}-2.74e^{-170.71t}-1.44sin(314t+0.59)\] \[i_{l}(t)=0.97e^{-29.29t}-2.74e^{-170.71t}-1.44sin(314t+0.59)\]](/forum/latexrender/pictures/eae7c49052e89d694db707435235046e.png)
Può andare?
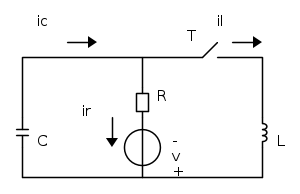
t>0 L'equazione risolvente è (*):
![\[\left\{\begin{matrix} i_{r}=i_{c}+i_{l}\rightarrow i_{r}=i_{l}+LC\frac{\partial i_{l}}{\partial t}\\ \\v=Ri_{r}+L\frac{\partial i_{l}}{\partial t} \\0=V_{c}-L\frac{\partial i_{l}}{\partial t}\end{matrix}\right. \\ \Rightarrow v(t)=RLC\frac{\partial^2 i_{l}}{\partial t^2}+L\frac{\partial i_{l}}{\partial t}+Ri_{l} \ \ (*)\] \[\left\{\begin{matrix} i_{r}=i_{c}+i_{l}\rightarrow i_{r}=i_{l}+LC\frac{\partial i_{l}}{\partial t}\\ \\v=Ri_{r}+L\frac{\partial i_{l}}{\partial t} \\0=V_{c}-L\frac{\partial i_{l}}{\partial t}\end{matrix}\right. \\ \Rightarrow v(t)=RLC\frac{\partial^2 i_{l}}{\partial t^2}+L\frac{\partial i_{l}}{\partial t}+Ri_{l} \ \ (*)\]](/forum/latexrender/pictures/91d82b2d7bc551a894e99042e1b14e3f.png)
la cui soluzione è:
con:
soluzione dell'omogenea associata, e con:
soluzione particolare.In definitiva, per t>0 si ha:
![\[i_{l}(t)=K_{1}e^{-29.29t}+K_{2}e^{-170.71t}-1.44sin(314t+0.59))\] \[i_{l}(t)=K_{1}e^{-29.29t}+K_{2}e^{-170.71t}-1.44sin(314t+0.59))\]](/forum/latexrender/pictures/470633d30c902485d9ef39e0456556c9.png)
t<0 a regime:

la cui soluzione è l'integrale particolare:

Per il calcolo delle costanti K1 e K2:
1) il(t)|t=0+ = i(t)|t=0- cioè:
(1)2)Per t=0+ il condensatore è inizialmente scarico: ic(0+)=0.
Dalla III eq del sistema si era ottenuto:
![\[0=V_{c}-L\frac{\partial i_{c}}{\partial t} \rightarrow \frac{\partial }{\partial t} \rightarrow \frac{\partial V_{c}}{\partial t}=L\frac{\partial^2 i_{l}}{\partial t^2} \rightarrow i_{c}=LC \frac{\partial^2 i_{l}}{\partial t^2}\] \[0=V_{c}-L\frac{\partial i_{c}}{\partial t} \rightarrow \frac{\partial }{\partial t} \rightarrow \frac{\partial V_{c}}{\partial t}=L\frac{\partial^2 i_{l}}{\partial t^2} \rightarrow i_{c}=LC \frac{\partial^2 i_{l}}{\partial t^2}\]](/forum/latexrender/pictures/6ce315f568ab166174b529913a81b7c8.png)
perciò, dopo aver opportunamente derivato due volte la il trovata per t>0, possiamo scrivere:
(2)Dal sistema di (1)+(2) si ottengono:
K1=0.97; K2=-2.74 da cui:
![\[i_{l}(t)=0.97e^{-29.29t}-2.74e^{-170.71t}-1.44sin(314t+0.59)\] \[i_{l}(t)=0.97e^{-29.29t}-2.74e^{-170.71t}-1.44sin(314t+0.59)\]](/forum/latexrender/pictures/eae7c49052e89d694db707435235046e.png)
Può andare?







