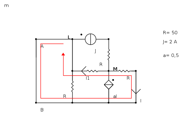
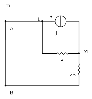
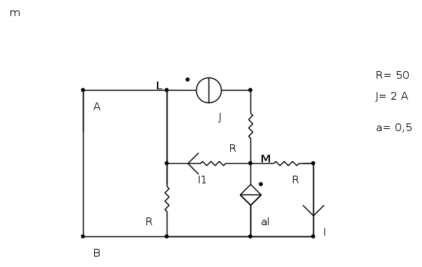
Esercizio Corrente di Norton
Devo trovare la corrente tra A e B.
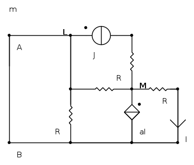
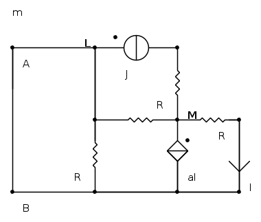
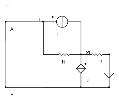
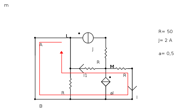
Essendo ormai un cortocircuito ai capi della R in basso a sinistra ci sarà lo stesso potenziale per cui non fluirà corrente, si puo' rimuovere dal circuito.
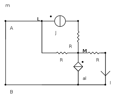
al nodo M

al nodo L avrò le stesse correnti del nodo M
se studio la maglia
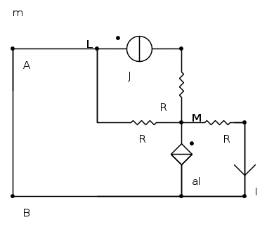
mi ricavo

Inizialmente vedendo il cortocircuito vicino al generatore di corrente ho creduto che la corrente tra A e B coincidesse con J.
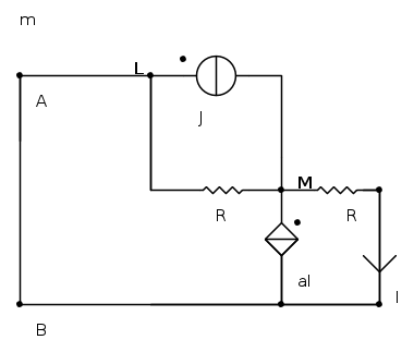
Ora invece ho trovato che
quindi 
mentre lo scrivevo me ne sono convinto di quest'ultimo risultato ma ormai lo posto








