Problema Partitore di tensione
Ciao a tutti, vorrei monitorare lo stato di carica/funzionamento della batteria-alternatore-regolatore di tensione sulla mia moto, onde evitare problemi e restare a piedi.
Per fare ciò volevo installare un voltmetro vicino alla strumentazione e prendere la misura direttamente dai poli della batteria. Volevo utilizzare questo mini voltmetro che ho in casa
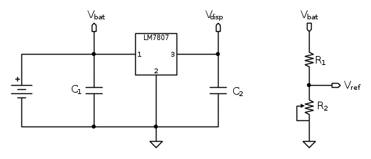
ho utilizzato il collegamento seguente
E funziona, ora il mio problema è che scalda, potete darmi qualche dritta per realizzarne uno che non scaldi o che scaldi poco?
Per farlo però devo utilizzare un partitore di tensione doppio come questo, in virù del fatto che la tensione ai capi della batteria arriva a 14Vdc
Ringrazio fin d’ora chi mi vorrà dare qualche consiglio
Per fare ciò volevo installare un voltmetro vicino alla strumentazione e prendere la misura direttamente dai poli della batteria. Volevo utilizzare questo mini voltmetro che ho in casa
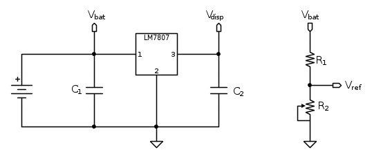
ho utilizzato il collegamento seguente
E funziona, ora il mio problema è che scalda, potete darmi qualche dritta per realizzarne uno che non scaldi o che scaldi poco?
Per farlo però devo utilizzare un partitore di tensione doppio come questo, in virù del fatto che la tensione ai capi della batteria arriva a 14Vdc
Ringrazio fin d’ora chi mi vorrà dare qualche consiglio

