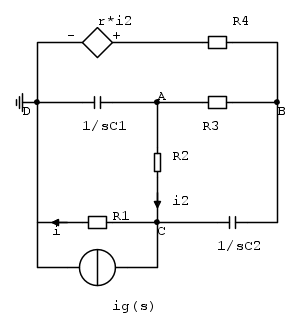
Rete di primo ordine in regime sinusoidale
Salve a tutti.
Ho risolto questa rete di primo ordine nel regime di LaPlace e vorrei sapere se procedo nel modo giusto.
Nel dominio di LaPlace, dato lo stato zero con:


ottengo che:



in cui ho eseguito la trasformata di LaPlace della funzione sinusoidale della tensione.
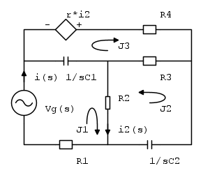
La rete ha n=4 nodi e L=6 lati, quindi è indifferente utilizzare il metodo dei potenziali nodali (n-1=3 equazioni) oppure il metodo delle correnti di anello (L-n+1=3 equazioni).
Ho scelto di utilizzare il metodo dei nodi (ma ho anche utilizzato il metodo delle correnti di anello, in seguito), quindi ho trasformato il lato alla Thevenin in lato alla Norton. Per cui:
con
.
Collego a massa il nodo D, quindi
, in modo tale che

.
A questo punto, sostituendo i valori numerici e passando alla forma canonica tenendo conto della corrente
, ottengo il sistema:
.
Utilizzando il metodo di Cramer per la risoluzione del sistema, ricavo solamente il potenziale del nodo C, perché mi serve per trovare la corrente i.
Quindi:
.
La corrente da trovare
sarà quindi l'antitrasformata di LaPlace.
Agisco in modo corretto?
Spero di avere scritto tutto correttamente e in modo comprensibile.
Attendo vostri riscontri.
Buona giornata a tutti!
E grazie
Ho risolto questa rete di primo ordine nel regime di LaPlace e vorrei sapere se procedo nel modo giusto.
Nel dominio di LaPlace, dato lo stato zero con:


ottengo che:



in cui ho eseguito la trasformata di LaPlace della funzione sinusoidale della tensione.
La rete ha n=4 nodi e L=6 lati, quindi è indifferente utilizzare il metodo dei potenziali nodali (n-1=3 equazioni) oppure il metodo delle correnti di anello (L-n+1=3 equazioni).
Ho scelto di utilizzare il metodo dei nodi (ma ho anche utilizzato il metodo delle correnti di anello, in seguito), quindi ho trasformato il lato alla Thevenin in lato alla Norton. Per cui:
con
.Collego a massa il nodo D, quindi
, in modo tale che
.A questo punto, sostituendo i valori numerici e passando alla forma canonica tenendo conto della corrente
, ottengo il sistema:
.Utilizzando il metodo di Cramer per la risoluzione del sistema, ricavo solamente il potenziale del nodo C, perché mi serve per trovare la corrente i.
Quindi:
.La corrente da trovare
sarà quindi l'antitrasformata di LaPlace.Agisco in modo corretto?
Spero di avere scritto tutto correttamente e in modo comprensibile.
Attendo vostri riscontri.
Buona giornata a tutti!
E grazie


.
quindi e` solo un lapsus sull'esponente. Il numeratore della funzione di trasferimento (senza il segnale V quindi) mi viene con due zeri coincidenti, anche se la cosa mi lascia perplesso.
, sono passata alla forma canonica, altrimenti non avrei potuto utilizzare il metodo di risoluzione di Cramer.
, in quanto risulta essere
.

e
.![\left[\begin{matrix}2+\frac{1}{s} & 1 & -\frac{1}{s} \\
1 & 2+ \frac{1}{s} & 1 \\
-\frac{1}{s}-1 & 0 & 2+ \frac {1}{s}\end{matrix}\right] \left[\begin {matrix}J_1 \\
J_2 \\
J_3\end{matrix}\right] = \left[\begin {matrix} \frac{100s}{s^2+4} \\
0 \\
0 \end{matrix}\right] \left[\begin{matrix}2+\frac{1}{s} & 1 & -\frac{1}{s} \\
1 & 2+ \frac{1}{s} & 1 \\
-\frac{1}{s}-1 & 0 & 2+ \frac {1}{s}\end{matrix}\right] \left[\begin {matrix}J_1 \\
J_2 \\
J_3\end{matrix}\right] = \left[\begin {matrix} \frac{100s}{s^2+4} \\
0 \\
0 \end{matrix}\right]](/forum/latexrender/pictures/5653441103eaae60cc989b3d1d700f71.png)
perché è la corrente che voglio trovare.