Esercizio su sistema trifase, calcolo delle tensioni.
Salve a tutti.
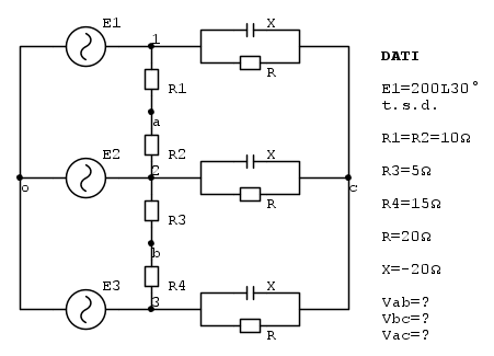
Ho cercato di risolvere questo sistema trifase:
La mia idea è di calcolare le singole tensioni tra i nodi noti 1a, a2, 2b, b3, 1c, 3c per poi farne la somma e trovare le tensioni tra ab, bc, ac.
Prima di tutto, calcolo l'impedenza equivalente:

e le singole tensioni stellate (espresse in funzione della fase) che risultano essere:



da cui ricavo le tensioni concatenate:


.
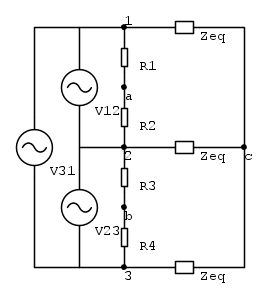
A questo punto, la rete da studiare sarà:
Per il calcolo delle tensioni, utilizzo un partitore di tension, ma ho la sensazione di avere sbagliato a calcolare le ultime tensioni. Quindi:






Per cui:



Ovviamente, tutte le tensioni sono intese come fasori, non sapevo come indicarli in latex.
Sbaglio qualcosa? E cosa sbaglio?
Grazie a tutti quelli che mi risponderanno
Buona giornata
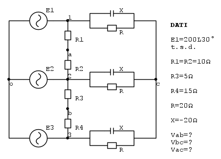
Ho cercato di risolvere questo sistema trifase:
La mia idea è di calcolare le singole tensioni tra i nodi noti 1a, a2, 2b, b3, 1c, 3c per poi farne la somma e trovare le tensioni tra ab, bc, ac.
Prima di tutto, calcolo l'impedenza equivalente:

e le singole tensioni stellate (espresse in funzione della fase) che risultano essere:



da cui ricavo le tensioni concatenate:


.A questo punto, la rete da studiare sarà:
Per il calcolo delle tensioni, utilizzo un partitore di tension, ma ho la sensazione di avere sbagliato a calcolare le ultime tensioni. Quindi:






Per cui:



Ovviamente, tutte le tensioni sono intese come fasori, non sapevo come indicarli in latex.
Sbaglio qualcosa? E cosa sbaglio?
Grazie a tutti quelli che mi risponderanno
Buona giornata








.
.
?