Calcolo delle condizioni iniziali di un circuito dinamico
Salve a tutti!
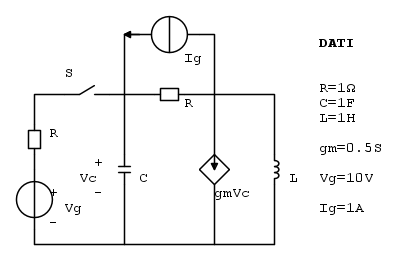
Mi trovo ad avere delle difficoltà a trovare le condizioni iniziali di un circuito dinamico a regime costante prima della chiusura dell'interruttore.
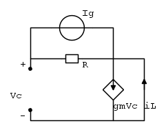
poiché il generatore è costante, posso approssimare quindi il condensatore ad un circuito aperto di cui ne indico la tensione Vc, mentre l'induttore è un corto circuito.
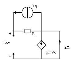
In questo modo ho questa piccola rete da risolvere per trovare queste condizioni iniziali:
Credo di essermi un po' impanicata per la presenza del generatore di corrente pilotato.
La mia testolina ha pensato di poterlo trascurare in quanto è in parallelo con un corto circuito, e considerare poi la tensione Vc come la tensione ai capi del resistore in cui circola la corrente Ig, ma non so se è corretto da considerare in questo modo.
Voglio specificare che i segni della tensione del condensatore sono come da testo, mentre il verso della corrente iL l'ho dato io.
E' corretto ragionare in questo modo, anche se il generatore pilotato di corrente è in pilotato dalla tensione del condensatore?
E' possibile quindi che risulti

?
Grazie a chi mi risolverà questo enorme dubbio!
Buon pomeriggio a tutti!
Mi trovo ad avere delle difficoltà a trovare le condizioni iniziali di un circuito dinamico a regime costante prima della chiusura dell'interruttore.
poiché il generatore è costante, posso approssimare quindi il condensatore ad un circuito aperto di cui ne indico la tensione Vc, mentre l'induttore è un corto circuito.
In questo modo ho questa piccola rete da risolvere per trovare queste condizioni iniziali:
Credo di essermi un po' impanicata per la presenza del generatore di corrente pilotato.
La mia testolina ha pensato di poterlo trascurare in quanto è in parallelo con un corto circuito, e considerare poi la tensione Vc come la tensione ai capi del resistore in cui circola la corrente Ig, ma non so se è corretto da considerare in questo modo.
Voglio specificare che i segni della tensione del condensatore sono come da testo, mentre il verso della corrente iL l'ho dato io.
E' corretto ragionare in questo modo, anche se il generatore pilotato di corrente è in pilotato dalla tensione del condensatore?
E' possibile quindi che risulti

?Grazie a chi mi risolverà questo enorme dubbio!
Buon pomeriggio a tutti!




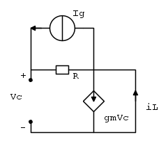
e non considerato
.
perché in serie con un circuito aperto
perché collegata agli stessi morsetti della tensione del resistore percorso solo dalla corrente del generatore
.