Esercizio: circuito in regime sinusoidale
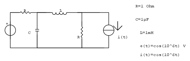
Salve ragazzi mi trovo a risolvere un circuito in regime sinusoidale, il seguente :
mi chiede la tensione ai capi del condensatore.
Io applico Thevenin.(Passando dapprima nel dominio dei fasori e utilizzando la convenzione dei valori massimi)
Calcolo quindi la Resistenza di thevenin vista ai capi dei morsetti dove scollego il condensatore, per cui

Adesso calcolo la tensione a vuoto, e er semplificarmi un po', decido di trasformare il generatore di corrente in uno di tensione con una opportuna differenza, cioè che all'impedenza dell'induttore metto in serie l'impendenza della resistenza R e il nuovo generatore di tensione ha tensione pare a
Per cui calcolo la corrente che circola in quella maglia come

Calcolata la corrente, calcolo Eth come

e quindi di conseguenza calcolo la corrente che fluisce nel condensatore utilizzando il circuito equivalente di Thevenin:

Di conseguenza la Tensione ai capi del consdensatore Vc=Ic*Zc.
Il problema mi chiede di tornare nel dominio del tempo... vabbene calcolo modulo e fase ed ho fatto...
Ecco il problema: Il risultat non si trova... con il mio procedimento e ragionamento
mi esce :
il risultato del libro invece è :

Mi secca disturbarvi sempre, però so che l'edizione del libro Circuiti che ho io (2007) ha ''molti'' errori... Però non so dove e quali sono ... e non vorrei mi che uno degli errori fosse il risultato di questo esercizio...
Perciò vi sto chiedendo una mano ed ho scritto la mia '' strategia'' per risolvere l'esercizio e determinare Vc(t)!
Grazie mille per la vostra pazienza!
mi chiede la tensione ai capi del condensatore.
Io applico Thevenin.(Passando dapprima nel dominio dei fasori e utilizzando la convenzione dei valori massimi)
Calcolo quindi la Resistenza di thevenin vista ai capi dei morsetti dove scollego il condensatore, per cui

Adesso calcolo la tensione a vuoto, e er semplificarmi un po', decido di trasformare il generatore di corrente in uno di tensione con una opportuna differenza, cioè che all'impedenza dell'induttore metto in serie l'impendenza della resistenza R e il nuovo generatore di tensione ha tensione pare a

Per cui calcolo la corrente che circola in quella maglia come

Calcolata la corrente, calcolo Eth come

e quindi di conseguenza calcolo la corrente che fluisce nel condensatore utilizzando il circuito equivalente di Thevenin:

Di conseguenza la Tensione ai capi del consdensatore Vc=Ic*Zc.
Il problema mi chiede di tornare nel dominio del tempo... vabbene calcolo modulo e fase ed ho fatto...
Ecco il problema: Il risultat non si trova... con il mio procedimento e ragionamento
mi esce :

il risultato del libro invece è :

Mi secca disturbarvi sempre, però so che l'edizione del libro Circuiti che ho io (2007) ha ''molti'' errori... Però non so dove e quali sono ... e non vorrei mi che uno degli errori fosse il risultato di questo esercizio...
Perciò vi sto chiedendo una mano ed ho scritto la mia '' strategia'' per risolvere l'esercizio e determinare Vc(t)!
Grazie mille per la vostra pazienza!


(o meglio la
)?

?


(partitore di corrente)



