Potenza assorbita fasori
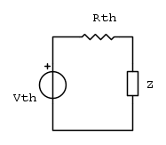
Ciao ragazzi , considerando questo circuito , in cui sono noti Vth e Rth , non ho capito come calcolare Il valore di impedenza che massimizza la potenza assorbita . Potreste darmi una mano ?
La comunità del mondo elettrico: elettronica, elettrotecnica, impianti, pic, plc, automazione
https://www.electroyou.it/forum/
uguale ad 