Pagina 1 di 1

Thevenin per circuito con solo un gen. controllato

MessaggioInviato: 15 lug 2016, 19:09
da ema10c
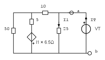
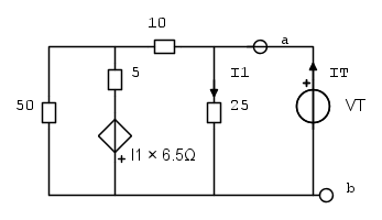
Salve a tutti, qualcuno può aiutarmi a risolvere questo esercizio in cui devo determinare l'equivalente di Thevenin rispetto ai terminali a-b? La mia difficoltà sta nel fatto che non so come comportarmi davanti a un circuito che presenta solo un generatore controllato (questo nello specifico è un generatore di tensione controllato in corrente).


Re: Thevenin per circuito con solo un gen. controllato

MessaggioInviato: 15 lug 2016, 20:02
da faberz
Tu ipotizza di conoscere già quanto "vale" il generatore pilotato (gli assegni ad esempio un valore E, svolgi i tuoi conti e alla fine applichi l'equazione vincolante del pilotato. In un certo senso parti dalla fine, e torni all'inizio.

Re: Thevenin per circuito con solo un gen. controllato

MessaggioInviato: 15 lug 2016, 21:34
da IsidoroKZ
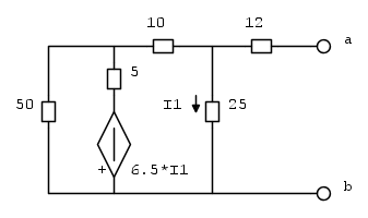
Cominicia a togliere la resistenza da 12ohm in serie all'uscita, che la si puo` sempre reintrodurre dopo.

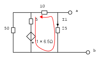
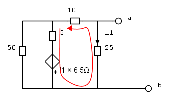
Poi considera questo circuito, con il percorso segnato in rosso. Supponi che il generatore di tensione generi una tensione con il positivo in basso. In questo caso la corrente I1 scorrerebbe verso l'alto. Ma se la corrente I1 scorre verso l'alto, la tensione del generatore pilotato dovrebbe essere negativa, quindi con il positivo in alto.



Se ipotizzi una tensione sul generatore pilotato trovi che questa tensione deve avere il segno opposto, qualunque tensione abbia scelto all'inizio. L'unica tensione che puo` essere contemporaneamente positiva e negativa e` la tensione di 0V, quindi il generatore pilotato e` spento! La tensione equivalente e` nulla, l'equivalente Thevenin e` solo una resistenza.

Prova a scrivere una equazione per trovare la tensione equivalente, ignorando l'osservazione di prima, di solito capita qualcosa di curioso, tipo l'incognita che si semplifica e rimani con una cosa senza senso!

Questo non e` un caso particolare, ma vale tutte le volte in cui non hai generatori indipendenti ma solo pilotati: in questo caso tutte le tensioni e correnti sono nulle. Poi si puo` avere il caso di tutto nullo e stabile oppure tutto nullo sistema instabile.

Per la resistenza invece non ci sono problemi: metti un generatore di prova ai morsetti (senza i 12ohm) e vedi che cosa capita. Alla fine aggiungi la resistenza che avevi tolto. Puoi usare un generatore di tensione di test e calcolare la corrente di test che viene erogata, come qui



Riesci a fare il conto della resistenza equivalente?

Re: Thevenin per circuito con solo un gen. controllato

MessaggioInviato: 16 lug 2016, 17:23
da ema10c
Grazie a entrambi per le risposte. Si, ho calcolato la resistenza equivalente con l'analisi nodale e mi viene 5 ohm (se i calcoli e soprattutto i segni sono esatti). Quindi per avere la resistenza di Thevenin devo sommare questa resistenza equivalente alla resistenza da 12 ohm?

Re: Thevenin per circuito con solo un gen. controllato

MessaggioInviato: 16 lug 2016, 18:37
da g.schgor
ema10c ha scritto: mi viene 5 ohm

Puoi riportare i calcoli fatti?

Re: Thevenin per circuito con solo un gen. controllato

MessaggioInviato: 17 lug 2016, 19:58
da IsidoroKZ
Al risultato devi aggiungere 12ohm, ma il risultato deve essere giusto :(. A me non vengono 5ohm per il circuito prima di aggiungere la resistenza.

Re: Thevenin per circuito con solo un gen. controllato

MessaggioInviato: 18 lug 2016, 17:25
da ema10c
Forse avevo sbagliato un segno, l'ho cambiato e adesso il risultato mi viene 8 ohm, da sommare ai 12 ohm. Vi riporto il procedimento che ho utilizzato:
20160718_170740-min.jpg

Re: Thevenin per circuito con solo un gen. controllato

MessaggioInviato: 18 lug 2016, 19:21
da IsidoroKZ
Ora e` giusto. pero` usa fidocadj e latex per le formule :-)

Re: Thevenin per circuito con solo un gen. controllato

MessaggioInviato: 19 lug 2016, 11:10
da ema10c
Ok, grazie mille! :ok: :-)