Pagina 1 di 1
Teorema di thevenin

Inviato:
12 nov 2016, 16:02
da Fab996
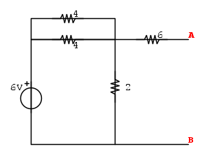
Devo trovare la resistenza di thevenin e la E di thevenin di questo circuito.
Ho passivato il circuito in questo modo, cortocircuitando il generatore di tensione ottenendo questo risultato
Quindi ottengo che la resistenza di thevenin vale 7. Non capisco come calcolare la e di thevenin ..
Re: Teorema di thevenin

Inviato:
12 nov 2016, 16:35
da admin
Eh, è difficilino in effetti poché la ETh di Thevenin è la metà di sei volt se le due resistenze da quattro ohm , quella da due e quella da sei sono collegate nel punto in cui si incrociano.
Nel caso non fossero collegate invece sarebbe sei volt, ma in quel caso la resistenza Rth sarebbe di dieci ohm.
Per risolvere il dilemma ricordati che negli schemi le connessioni vanno indicate con un punto
Re: Teorema di thevenin

Inviato:
12 nov 2016, 16:44
da franzcecco
Per la E di thenevin o equivalente a vuoto del circuito, dovresti considerare il fatto che hai i tuoi morsetti A e B sono a vuoto, quindi non passa nessuna corrente per la resistenza da 6 ohm. Infatti la tua EABequivalente va cercata nella partizione del generatore da 6 volt sulla resistenza dei due ohm. Ti consiglio di trasformare intanto quel parallelo di 4//4 con una equivalente da 2, in modo da semplificarti le cose =)
Re: Teorema di thevenin

Inviato:
12 nov 2016, 16:53
da Fab996
franzcecco ha scritto:Per la E di thenevin o equivalente a vuoto del circuito, dovresti considerare il fatto che hai i tuoi morsetti A e B sono a vuoto
Si, da quanto mi ricordo andava fatto questo procedimento

, solo non ho ben capito cosa sia la tensione a vuoto
Re: Teorema di thevenin

Inviato:
12 nov 2016, 17:21
da franzcecco
La tensione a vuoto è quella che hai sui suddetti morsetti quando il tuo circuito lavora senza un generatore di prova di tensione o corrente (quindi circuito aperto tra A e B, non corto!) tra i morsetti AB. Difatti il thenevin tiene conto dei due contributi, cioè quello di un eventuale generatore di prova con corrente nota, la cui tensione sarà -ReqIp, la cui Ip dipende dal restante circuito che entra, e da una eventuale tensione che registri a vuoto, cioè di quella presente nel ramo che stai analizzando senza che entri questa corrente di prova/tensione di prova tra i morsetti pari a Vo. Per la sovrapposizione degli effetti si avrà la serie di questo Vo e la Req, che sarà attraversata dalla Ip ( o i della restante parte del circuito) e vale in generale quindi che la tensione Vtot di AB sarà data dalla somma di Vo-ReqIp.