Dubbio banale sul partitore di corrente
Ciao ragazzi, mi è sorto questo dubbio banale su questo circuito.
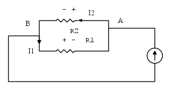
Devo trovare la corrente I, che è quella uscente da R2
Avevo fatto il partitore in questo modo, ma sono nel dubbio se la corrente da trovare è quella di R1 o di R2
in casi come questi che mi è richiesta la corrente che esce da un resistore, bisogna considerare il resistore dove la corrente è entrante?
In questo caso la corrente di I1
Devo trovare la corrente I, che è quella uscente da R2
Avevo fatto il partitore in questo modo, ma sono nel dubbio se la corrente da trovare è quella di R1 o di R2
in casi come questi che mi è richiesta la corrente che esce da un resistore, bisogna considerare il resistore dove la corrente è entrante?
In questo caso la corrente di I1









