esercizio g.e. Norton
Buongiorno, ho qualche problema con il seguente esercizio:
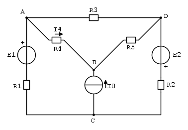
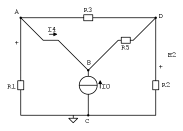
calcolare la corrente
nella rete in figura usando il metodo del generatore equivalente di Norton.
con i seguenti dati:

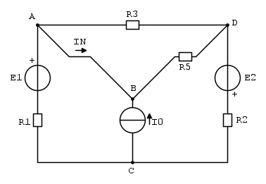
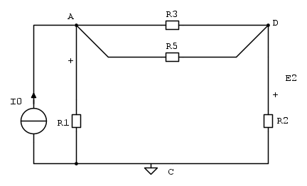
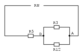
Ho disegnato le reti da cui si dovrebbero ricavare la
e la
(corrente e resistenza di Norton):
A questo punto sono bloccato, non riesco a determinare né la
né la
.
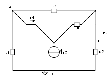
Solamente nel secondo grafico posso affermare che la
e la
sono in serie.
Chiedo a voi aiuto per svolgere l'esercizio.
Grazie.
calcolare la corrente
nella rete in figura usando il metodo del generatore equivalente di Norton.con i seguenti dati:

Ho disegnato le reti da cui si dovrebbero ricavare la
e la
(corrente e resistenza di Norton):A questo punto sono bloccato, non riesco a determinare né la
né la
.Solamente nel secondo grafico posso affermare che la
e la
sono in serie.Chiedo a voi aiuto per svolgere l'esercizio.
Grazie.







lo stavo per scrivere ma ci sei arrivato da solo

