Dubbio su circuito trifase
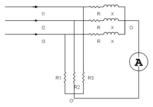
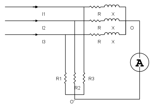
Salve ho un dubbio riguardo un carico di questo tipo. Il circuito è costituito da una terna simmetrica diretta di tensioni concatenate. Se voglio sapere il valore efficace della corrente misurata nell'amperometro, come potrei procedere? La presenza del corto circuito con l'amperometro non fa sì che la tensione Voo' =0 ? Quindi la tensione ai capi delle delle resistenze del carico in basso sia uguale a quelle delle rispettive tensioni stellate?


.
le tre tensioni stellate e
le tre tensioni ai capi delle impedenze della stella in alto, è scorretto dire: