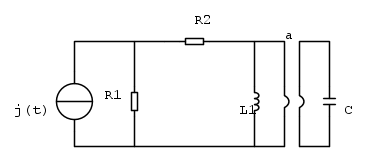
trasformazione fasoriale
buongiorno a tutti,
che io sappia per passare dalla funzione d'onda al fasore, qualora ci sia Asen(wt+y) devo dividere A per radical2
ed elevare e alla y. Se c'è il coseno trasformo in seno facendo y+pi/2 e poi lo stesso passaggio. E' sempre così o ci sono delle eccezioni? perché a volte negli esercizi vedo fare diversamente, specie per il coseno.
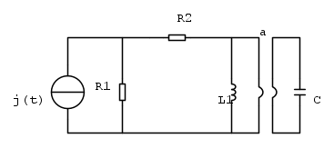
che io sappia per passare dalla funzione d'onda al fasore, qualora ci sia Asen(wt+y) devo dividere A per radical2
ed elevare e alla y. Se c'è il coseno trasformo in seno facendo y+pi/2 e poi lo stesso passaggio. E' sempre così o ci sono delle eccezioni? perché a volte negli esercizi vedo fare diversamente, specie per il coseno.












e non 

