esercizio corrente di Norton
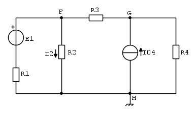
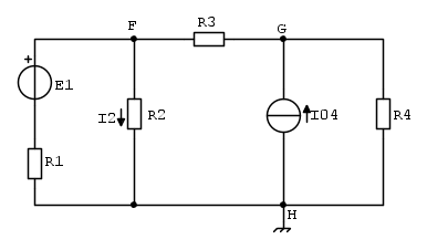
Un saluto a tutti, della rete in figura:
Con questi dati:

Devo determinare la
tramite Thevenin e Norton. Con Thevenin non ho avuto problemi, ma ne ho usando Norton. La
dovrebbe essere questa:

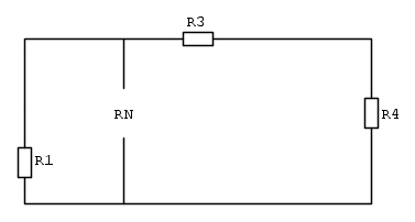
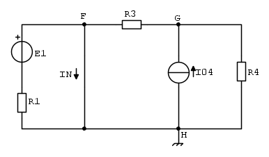
Mentre la
:
volevo calcolarla con la sovrapposizione degli effetti, ma non riesco perché nel ramo della
mi sembra di trovare sempre una corrente infinita. Chiedo consiglio a voi per trovare questa benedetta corrente di Norton. Grazie 
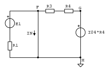
Con questi dati:

Devo determinare la
tramite Thevenin e Norton. Con Thevenin non ho avuto problemi, ma ne ho usando Norton. La
dovrebbe essere questa:
Mentre la
:volevo calcolarla con la sovrapposizione degli effetti, ma non riesco perché nel ramo della
mi sembra di trovare sempre una corrente infinita. Chiedo consiglio a voi per trovare questa benedetta corrente di Norton. Grazie 




