Esercizio applicando la trasformazione dei generatori
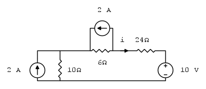
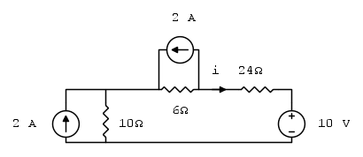
Devo ricavare la corrente i applicando la trasformazione dei generatori. Come posso fare?
La comunità del mondo elettrico: elettronica, elettrotecnica, impianti, pic, plc, automazione
https://www.electroyou.it/forum/
vito998 ha scritto:Devo ricavare la corrente i applicando la trasformazione dei generatori. Come posso fare?
con la
in serie.Exodus ha scritto:Un generatore indipendente di corrente ..
