Esercizio regime sinusoidale
Salve a tutti, sto facendo il seguente esercizio:
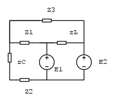
Il circuito in figura `e in regime sinusoidale. Determinare la potenza reattiva assorbita dall’induttore e la potenza attiva assorbita dal resistore R2.
Dati: R1 = 20Ω, R2 = 30Ω, R3 = 16Ω, L = 0.08H, C = 250μF, e1(t) = 10 cos(200t − π/4)V, e2(t) = 10 cos(200t)V.
Io sono passata al dominio dei fasori ricavando il seguente circuito







Per quanto riguarda L'induttore, ho trovato la sua tensione facendo riferimento alla maglia formata dai due generatori e l'induttore stesso, e poi la sua corrente:


Per quanto riguarda
, ho applicato la sovrapposizione degli effetti, ma ho dei dubbi sulle equivalenze serie - parallelo.
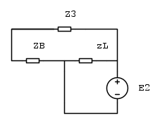
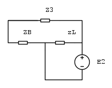
Per esempio, spegnendo
:
si hanno le seguenti equivalenze?



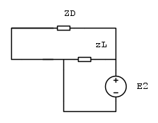
Mentre spegnendo l'altro generatore non so proprio da dove cominciare
Grazie in anticipo a chi risponderà
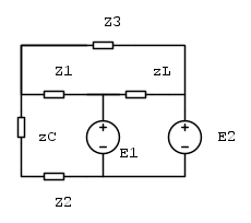
Il circuito in figura `e in regime sinusoidale. Determinare la potenza reattiva assorbita dall’induttore e la potenza attiva assorbita dal resistore R2.
Dati: R1 = 20Ω, R2 = 30Ω, R3 = 16Ω, L = 0.08H, C = 250μF, e1(t) = 10 cos(200t − π/4)V, e2(t) = 10 cos(200t)V.
Io sono passata al dominio dei fasori ricavando il seguente circuito







Per quanto riguarda L'induttore, ho trovato la sua tensione facendo riferimento alla maglia formata dai due generatori e l'induttore stesso, e poi la sua corrente:


Per quanto riguarda
, ho applicato la sovrapposizione degli effetti, ma ho dei dubbi sulle equivalenze serie - parallelo.Per esempio, spegnendo
:si hanno le seguenti equivalenze?



Mentre spegnendo l'altro generatore non so proprio da dove cominciare
Grazie in anticipo a chi risponderà




(non hai definito il valore di pulsazione


. Lascia la resistenza.
e R1. Cosa vedi di strano? Una impedenza uguale ad una ammettenza... ti sembra possibile?

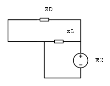
ho sbagliato, in realtà volevo scrivere:
è in parallelo con
, giusto?





