Matrice ibrida elementi diagonale principale
Salve a tutti,
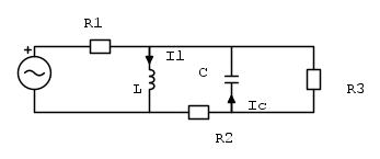
ho un esercizio che mi chiede di calcolare la matrice ibrida con i bipoli dinamici alle porte e facendo la convenzione normale sui bipoli dinamici in base all'orientamento dato in figura, il circuito è il seguente:
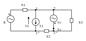
Ho scelto di risolverlo passando al circuito resistivo associato e considerandolo come un doppio bipolo dove l'induttore l'ho messo alla porta 1 e il condensatore alla porta 2 in questo modo:
risolvendo, gli elementi della matrice ibrida sono

Il mio risultato è concorde con quello dell'esercizio, ora una cosa non riesco a capire, gli elementi della matrice ibrida
e
, nell'ipotesi che sto utilizzando il circuito resistivo associato, non dovrebbero essere positivi?
ho un esercizio che mi chiede di calcolare la matrice ibrida con i bipoli dinamici alle porte e facendo la convenzione normale sui bipoli dinamici in base all'orientamento dato in figura, il circuito è il seguente:
Ho scelto di risolverlo passando al circuito resistivo associato e considerandolo come un doppio bipolo dove l'induttore l'ho messo alla porta 1 e il condensatore alla porta 2 in questo modo:
risolvendo, gli elementi della matrice ibrida sono

Il mio risultato è concorde con quello dell'esercizio, ora una cosa non riesco a capire, gli elementi della matrice ibrida
e
, nell'ipotesi che sto utilizzando il circuito resistivo associato, non dovrebbero essere positivi?
