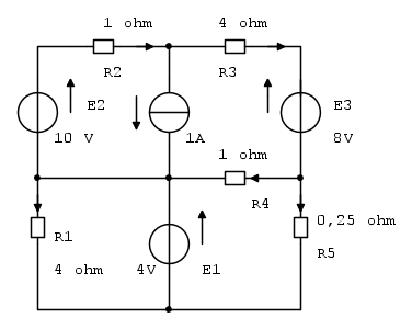
risoluzione circuito
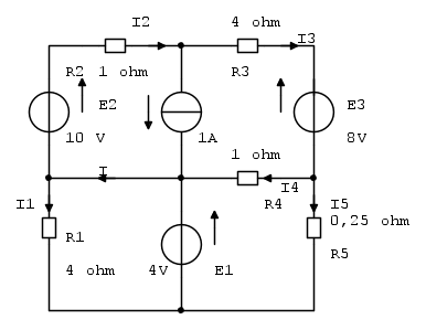
In questo circuito ho calcolato per primo la corrente nel resistore R1
poi ho calcolato le altre correnti: I2-1-I3=0 ; I4+I5-I3=0; E2-R2I2+R3I3-8=0Vi chiedo un giudizio su quello che ho fatto..
La comunità del mondo elettrico: elettronica, elettrotecnica, impianti, pic, plc, automazione
https://www.electroyou.it/forum/
poi ho calcolato le altre correnti: I2-1-I3=0 ; I4+I5-I3=0; E2-R2I2+R3I3-8=0





